The Korean Society Of Automotive Engineers
[ Article ]
Transactions of the Korean Society of Automotive Engineers - Vol. 34, No. 4, pp.383-391
ISSN: 1225-6382 (Print) 2234-0149 (Online)
Print publication date 01 Apr 2026
Received 02 Sep 2025 Revised 09 Oct 2025 Accepted 16 Oct 2025
DOI: https://doi.org/10.7467/KSAE.2026.34.4.383

HEV용 비절연 V2L을 위한 LDC 기반 통합형 승압 컨버터

김홍성 ; 권경현 ; 권영빈 ; 윤한신*
국립인천대학교 전기공학과
Integrated LDC-Boost Converter for Non-Isolated V2L Applications in HEVs
Hong-Seong Kim ; Gyeong-Hyun Kwon ; Young-Bin Kwon ; Han-Shin Youn*
Department of Electrical Engineering, Incheon National University, Incheon 22012, Korea

Correspondence to: *E-mail: hsyoun@inu.ac.kr

Copyright Ⓒ 2026 KSAE / 245-01
This is an Open-Access article distributed under the terms of the Creative Commons Attribution Non-Commercial License(http://creativecommons.org/licenses/by-nc/3.0) which permits unrestricted non-commercial use, distribution, and reproduction in any medium provided the original work is properly cited.

Abstract

This paper proposes an integrated low-voltage dc/dc converter (LDC) to enable vehicle-to-load (V2L) functionality in hybrid electric vehicles (HEVs). The proposed LDC adopts an active-clamp forward (ACF) topology and is designed to operate over a high-voltage input range of 200-400 V with a low-voltage output of 12-15 V. The topology incorporates the boost function by sharing semiconductor devices and magnetic components, thereby eliminating the need for a separate boost stage and reducing component count and circuit complexity. A 3 kW prototype hardware is designed to verify the feasibility of the proposed converter. The converter achieved efficiencies of 91.35 % in the LDC-only operation mode and 93.18 % in the simultaneous LDC and V2L inverter operation mode.

Keywords:

DC-AC power converter, Hybrid electric vehicles, Integrated circuits, Low-voltage DC-DC converter, Vehicle-to-load

키워드:

직류-교류 전력 변환기, 하이브리드 전기차, 통합형 회로, 저전압 직류 변환기, 차량-부하 전력공급

1. 서 론

온실가스 배출 증가로 인한 기후 변화 심화와 이에 따른 탄소중립 이행의 필요성이 대두되면서, 전 세계적으로 운송 부문의 전동화가 필수 과제로 부상하고 있다. 특히 기존의 내연기관 차량은 온실가스인 이산화탄소(CO2)의 주된 배출원으로 간주되어 왔으며, 이를 대체할 수단으로 전기 기반 차량(xEV)이 주목받고 있다. 이에 따라 각국 정부와 산업계는 관련 기술 개발, 충전 인프라 확충, 재정 지원 등 다양한 정책적 수단을 통해 친환경 모빌리티로의 전환을 적극 추진하고 있으며,1) 그 결과 xEV의 보급률은 지속적으로 증가하고 있다.2,3) 이러한 전동화 확산과 함께, 차량의 전력을 단순 주행 외에도 다양한 형태로 활용하려는 기술적 요구가 커지고 있으며, 특히 재난 대응, 전력망 불안정 지역의 전력 공급, 오프그리드(Off-grid) 환경 등에서 이동형 전원의 필요성이 확대됨에 따라, V2L(Vehicle-to-Load)은 차량의 활용 가치를 높이고 전력 인프라의 유연성을 강화하는 핵심 기술로 주목받고 있다.

V2L은 차량의 고전압 배터리에 저장된 전력을 외부 전기 부하에 직접 공급하는 기술로, 가정용 전자기기, 산업용 장비, 야외 활동 장비 및 비상 전원 등 다양한 부하 구동이 가능하다. 아울러, 별도의 고정형 발전 설비 없이도 신속한 전력 공급이 가능하며, 기존 차량 전력 변환 시스템을 활용함으로써 추가 부품 사용을 최소화하고 전력 손실을 저감하여 비용 효율성과 에너지 이용 효율을 동시에 향상시킬 수 있다. 이러한 V2L 기능의 구현 방식은 차량의 종류와 전력 변환 시스템의 구성에 따라 달라지며, 이는 특히 BEV와 HEV 간의 구조적 차이에서 기인한다.

Fig. 1(a)에 나타난 바와 같이, EV는 일반적으로 온보드 차저(On-Board Charger, OBC)를 내장하여 외부 교류 전원과의 양방향 전력 변환이 가능하다. 이를 통해 교류 전원으로부터의 고전압 배터리 충전뿐만 아니라, 배터리에 저장된 전력을 외부 부하나 전력망으로 공급하는 기능까지 포함하므로, 별도의 전력 변환 단계를 거치지 않고 V2L 동작이 가능하다.4-8) 반면, Fig. 1(b)의 HEV 구조는 고전압 배터리가 차량 주행 중 전기 모터의 회생 제동을 통해 충전되며, 외부 전원과 직접 연결되는 OBC가 장착되지 않는 경우가 일반적이다. 이로 인해 HEV에서 V2L을 구현하려면 외부 교류 전압을 생성할 수 있는 별도의 변환 단계를 추가해야 한다. Fig. 2는 HEV에서 이러한 요구를 충족하기 위한 대표적인 구성 예를 보여준다. HEV의 고전압 배터리 전압(약 200–400 V)을 교류 부하에 공급하기 위해서는 240 Vrms 교류 출력을 지원할 수 있도록 직류 링크 전압을 약 340 V(Peak value) 이상으로 승압해야 한다. 이를 위해 기존 저전압 DC/DC 컨버터(LDC) 외에 부스트 컨버터9-12)와 V2L 전용 인버터가 추가되며, 교류 변환을 통해 외부 부하로 전력이 전달된다. 그러나 이러한 구성은 장치 수 증가와 부피 확대, 전력 변환 손실 및 비용 상승으로 이어진다. 이러한 제약을 극복하기 위해서는 기존 전력 변환 장치의 기능을 확장·통합하여 변환 단계를 축소하거나 부품 공유를 통해 소형·고효율 전력 변환 구조의 개발이 요구되며, 최근에는 비절연 구조를 기반으로 누전차단기(RCD)를 적용하여 안정성을 확보하는 V2L 시스템에 대한 연구가 이루어지고 있다.

Fig. 1

Conventional power conversion system configurations of xEVs. (a) BEVs. (b) HEVs

Fig. 2

Power conversion block diagram for V2L function in HEVS

본 논문에서는 HEV에서 V2L 기능을 위해 별도의 부스트 컨버터 없이도 동작 가능한 통합형 전력 변환기를 제안한다. 제안 회로는 LDC와 부스트 변환 단을 하나의 회로로 결합하여, 전력 반도체 및 자성체를 공유함으로써 전체 시스템 부피를 줄이고 전력 밀도를 향상시킨다. 이러한 통합 설계는 여러 전력 변환 단계를 거치는 기존 구성에서 발생하는 부품 수 증가, 변환 손실, 제조 비용 상승과 같은 문제를 완화한다. 또한, 다양한 입출력 조건에서도 직류 링크 전압을 라인 전압 진폭 (240 Vrms 기준, 약 340 V)으로 유지하도록 설계되어, V2L 인버터가 요구하는 범용 교류 전압(100-240 Vrms)을 안정적으로 생성할 수 있다.

본 논문의 구성은 다음과 같다. 제2장에서는 HEV V2L 구동을 위한 제안된 통합형 컨버터의 전력 흐름 및 동작 원리를 설명한다. 제3장에서는 제안된 컨버터의 이론적 해석 및 설계를 제시한다. 제4장에서는 제안 방식의 타당성을 3 kW 하드웨어 시제품 (입력 전압 200-400 V, 출력 전압 범위 12-15 V)을 이용한 실험을 통해 검증한다. 마지막으로, 제5장에서 결론을 제시한다.


2. 제안된 컨버터의 전력 흐름 및 동작 원리

2.1 제안 컨버터의 회로 구성

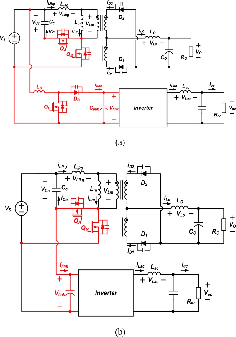
Fig. 3(a)는 부스트 컨버터가 포함된 기존 LDC를, (b)는 제안된 LDC–부스트 컨버터 통합형 구조를 비교하여 나타낸다. 여기서 고전압 배터리 전압(VHV)을 입력 전압(VS)로, 저전압 배터리 전압(VLV)을 출력 전압(VO)로 명명하였다. 기존 전력 변환 시스템에서는 LDC와 부스트 컨버터가 별도의 단계로 구현되며, LDC의 1차측은 트랜스포머와 두 개의 전력 스위치(QM, QA)로 구성된 액티브-클램프-플라이백(ACF) 컨버터 구조를 채택한다. 부스트 컨버터 단계는 입력 인덕터(LB), 스위치(QB), 다이오드(DB)로 구성된다. 이로 인해 전체 부품 수와 회로 복잡도가 증가한다. 반면, 제안된 구조에서는 부스트 단계의 QBDB가 LDC 1차측의 QM, QA와 통합되고, LB는 트랜스포머의 자화 인덕턴스(Lm)와 하나의 자기 소자로 결합되어 전체 부품 수를 줄이고 시스템 구성을 단순화하였다.

Fig. 3

Configurations of LDCs for HEV V2L operation. (a) conventional with boost converter, (b) proposed integrated LDC–boost converter

2.2 제안 컨버터의 전력 흐름

V2L 기능을 갖춘 HEV의 전력 흐름은 차량 운전 상태에 따라 LDC 단독 동작 모드, LDC 및 V2L 인버터 동시 동작 모드로 구분할 수 있다. 제안된 컨버터는 전기 모터의 회생제동을 통한 HV 배터리 충전과는 무관하므로 해당 과정은 설명에서 제외한다.

2.2.1 LDC 단독 동작 모드

LDC 단독 동작 모드의 경우, 차량 주행 중 외부 AC 출력이 요구되지 않는 상태를 나타낸다. 이때 HV 배터리 전력은 LV 배터리 충전과 공조, 조명 등과 같은 차량 내부 부하에만 공급된다. 이 모드에서는 LDC가 단독으로 동작하며, DC/AC 인버터와 V2L 기능 모두 비활성 상태를 유지한다.

2.2.2 LDC 및 V2L 인버터 동시 동작 모드

LDC 및 V2L 인버터 동시 동작 모드의 경우, 차량 주행 중 외부 AC 부하를 동시에 구동하는 모드로, HV 배터리 전력은 LDC를 통해 부하에 필요한 전력을 공급하고, 인버터를 통해 외부 AC 부하에 전력을 제공한다.

2.3 제안 컨버터의 동작원리

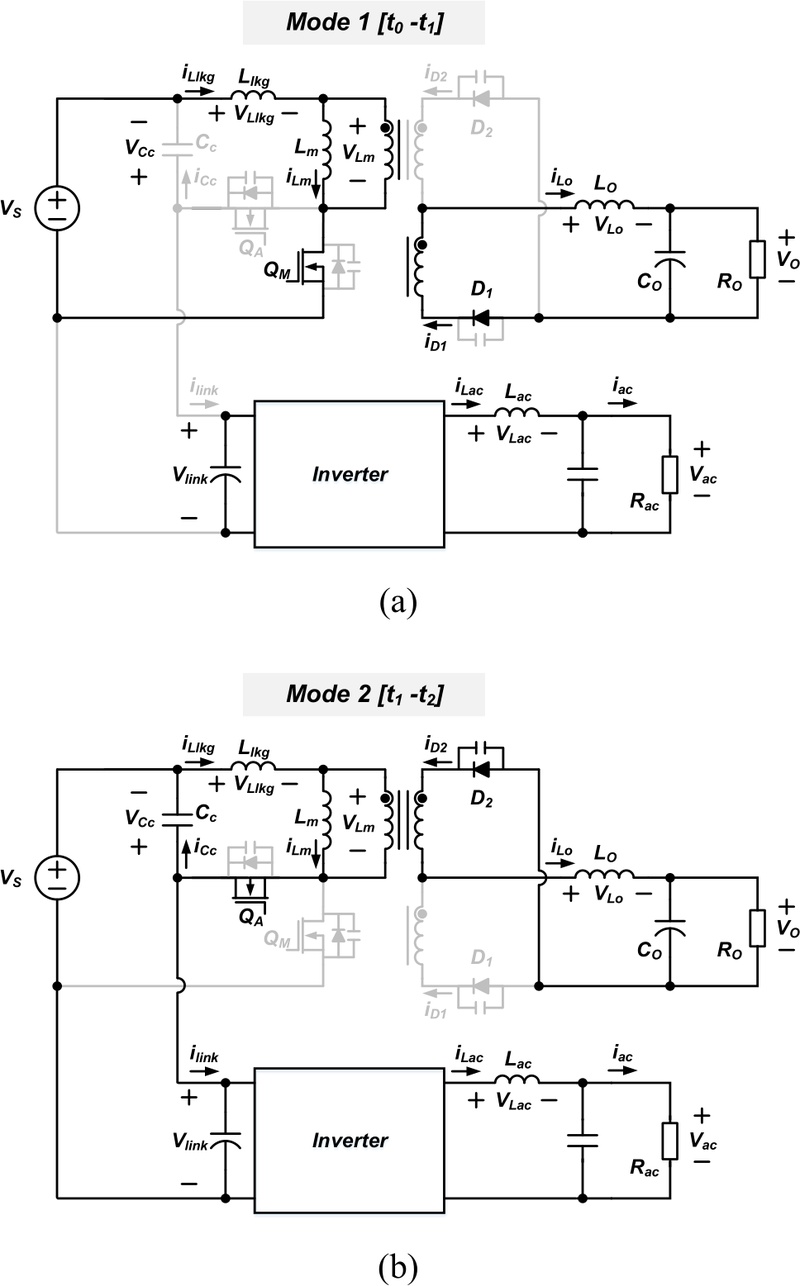
제안된 컨버터의 LDC 단독 동작 모드는 기본적으로 기존 ACF 기반 LDC와 동일한 원리로 동작한다. 이러한 동작 특성을 바탕으로, 본 연구에서는 통합형 회로 구조의 고유한 특성을 파악하기 위해 LDC 및 V2L 인버터 동시 동작 모드를 중심으로 분석을 진행하였다. Fig. 4는 V2L 모드에서 LDC 단계의 스위칭 주기와 출력 교류 전압(Vac) 파형을 나타낸다. 이 파형에서 QM에 인가되는 이상적인 듀티는 DLDC로 정의한다. 실제 전력 전달에 기여하는 유효 듀티는 QMQA의 도통 구간에 따라 각각 Deff, Deff′로 표현된다. 이때 이상적인 듀티와 유효 듀티 간의 차이의 듀티 손실은 QMQA에 대해 각각 DL_QM, DL_QA로 구분한다.

Fig. 4

Key operational waveforms of the proposed circuit

본 절에서는 스위칭 주기 중 전력 전달이 이루어지는 구간(Deff, Deff′) 만을 대상으로 동작 특성을 해석하며, Fig. 5에 해당 구간에서의 제안된 컨버터 회로 동작 상태를 제시하였다. 이 회로 상태를 기반으로 정상 상태 해석을 수행하기 위해, 본 연구에서는 다음과 같은 전제 조건을 적용하였다.

Fig. 5

Topological states of proposed converter. (a) Mode 1 [t0-t1], (b) Mode 2 [t2-t3]

  • 1. 변압기의 권선비(n)는 Np : Ns1 : Ns2 = n : 1 : 1로 정의한다.
  • 2. DC 링크 커패시터는 충분히 큰 정전용량으로 가정하여 일정 전압을 유지하는 이상적인 정전압원으로 가정한다.
  • 3. 모든 능동 전력 소자는 병렬 바디 다이오드와 기생 커패시터(Coss)를 갖춘 이상적인 스위치로 가정한다.

Mode 1 [t0-t1] : QM이 턴 온 되고 LDC 2차측 정류 다이오드의 커뮤테이션이 종료된 직후로, Lm의 양단에는 VS가 인가된다. 이때 QM과 정류 다이오드(D1)를 통해 부하로 전력이 전달되며, 출력 인덕터 전류(iLo)는 2차측 정류 경로를 통해 흐르며, 해당 전류는 누설 인덕터 전류(iLlkg)와 자화 인덕터 전류(iLm)의 차이에 의해 결정된다. 출력 인덕터의 양단 전압(VLo)은 1차측에서 전달된 전압(VS/n)과 VO 간의 차이로 결정된다. V2L 입장에서는 QMQB에 해당하므로, 인버터 방향으로는 전력 전달이 이루어지지 않는다.

Mode 2 [t2-t3] : QA가 턴 온 되고 LDC 2차측 정류 다이오드의 커뮤테이션이 종료된 직후로, Lm의 양단에는 클램프 커패시터 전압(-VCc)이 인가된다. 이때 QA와 정류 다이오드(D2)를 통해 부하로 전력이 전달되며, iLo는 2차측 정류 경로를 통해 흐르며, 해당 전류는 1차측에서 전달된 전압(VCc/n)과 VO 간의 차이로 결정된다. V2L 입장에서는 QADB에 해당하므로, Lm에 저장된 에너지를 이용해 인버터 방향으로 전력이 전달된다.


3. 제안된 컨버터 회로의 해석 및 설계

본 절에서는 제안한 컨버터가 LDC와 V2L 동작을 안정적으로 수행하기 위해 고려해야 할 설계 요건을 설명한다. 입출력 전압, 동작 주파수 등의 핵심 사양은 Table 1에 제시되어 있다.

Key design specification

3.1 제안된 컨버터의 전압 관계식

전압 전달비는 기존 ACF 방식과 동일한 과정으로 도출되며 LO, Lm, 누설 인덕터(Llkg)의 전압-시간 평형(Volt-second balance)을 적용하여 계산된다. 결과적으로, 제안된 컨버터의 전압 관계식이 식 (1)과 같이 정리된다.

VoVS=2DeffnVCcVS=DLDC1-DLDC(1) 

3.2 제안된 컨버터의 링크 전압

링크 전압(Vlink)은 VSVCc가 직렬로 연결되기에 식 (2)와 같이 정리된다.

Vlink=VS+VCc=VS1-DLDC.(2) 

안정적인 운전과 충분한 설계 마진 확보를 위해 Vlink은 최소 400 V 이상으로 유지되어야 한다. 식 (2)를 따르면, VlinkVSDLDC에 의해 결정된다. DLDC식 (3)과 같이 정리된다.

DLDC=Deff +DL-QM.(3) 

식 (2)(3)을 통해, Vlink의 최소값은 입출력 전압이 최소일 때 발생한다. 즉 VS =200 V, VO =12 V 조건이 설계 악의 조건에 해당하며, 이 조건에도 Vlink가 400 V 이상이 되도록 설계해야한다. 해당 조건을 식 (2)에 대입하면, DLDC=0.5로 계산된다. 이때 DLDC식 (3)에서 보듯 Deff뿐만 아니라 Llkg에도 영향을 받으므로, 제어 가능한 듀티 범위도 함께 고려해야한다. 제어기의 안정적인 동작을 위해 Deff의 동작 범위를 0.2에서 0.8로 제한하였으며, 이 범위 내에서 Vlink가 400 V 이상 유지되도록 n을 14로 선정하였다. n = 14를 적용할 경우, Deff =0.42로 계산되며, 이에 따라 DL_QM는 0.08이상이어야한다. DL_QM의 계산식은 식 (4)와 같이 정리된다.

DL-QM=2LlkgIOfSnVS.(4) 

Fig. 6에서 나타나는 것처럼, Vlink는 전 운전 범위에서 400 V를 초과한다.

Fig. 6

DC-link voltage under various input and output conditions

3.3 제안된 컨버터의 변압기 오프셋 전류

V2L 동작 시, Vac는 전원주파수(fAC) 50-60 Hz에서 생성된다. 이때, V2L 인버터의 순간 출력 전력(PAC(t))과 이를 Vlink로 나누어 링크 전류의 순시값(ilink(t))을 나타낼 수 있다. PAC(t)ilink(t)식 (5), (6)과 같이 정리된다.

PAC(t)=2VacIacsin2πfact2,(5) 
ilink (t)=PAC(t)Vlink =2VacIacsin2πfact2Vlink .(6) 

따라서 ilink(t)에도 2배 전원 주파수 (100–120 Hz) 저주파 리플 성분이 포함되며, 이는 자화 인덕터 오프셋 전류 (ILm,offset)에 영향을 미친다. 결론적으로, ILm,offset은 LDC에 의한 DC성분과 인버터에 의한 AC성분으로 구성된다. 이 값은 변압기 설계 검토 시 중요한 기준으로 활용되며, ILm,offset식 (7)과 같이 정리된다.

ILm,offset=ilink(t)+IOn.(7) 

3.4 제안된 컨버터의 변압기 설계

n이 정해지면, Lm은 변압기의 코어 단면적(Ae)을 기반으로 결정된다. Ae식 (8)과 같이 정의되며, 자화 인덕터 최고 전류(ILm.peak)에 의해 결정된다.

Ae=LmILm.PeakNPBmax.(8) 

ILm.peakILm,offsetFig. 4에 제시된 자화 인덕터 전류 리플(ΔiLm)로 구성된다. ΔiLmILm.peak식 (9), (10)과 같이 정리된다.

ΔiLm=VSDeffLmfS.(9) 
ILm.peak=VSDeff2LmfS+IOn+2VacIacVLink.(10) 

코어는 EE6565S를 사용하였으며, 포화 방지를 위해 허용 자속 밀도(Bmax)를 0.3 T로 제한하였다. 이 조건을 반영하여 Lm=100 uH로 설정하였고, 모든 조건을 고려한 Bmax=0.269 T로 제한된다. 변압기 권선 단면적(Aω)은 1, 2차측 권선 전류의 RMS 값, 허용 전류 밀도(J)와 권선 이용률(Ku)을 고려해 식 (11)과 같이 정의된다.

Aω=1KunIpri.rmsJpri+Isec1.rmsJsec+Isec2.rmsJsec.(11) 

코어 면적곱(Ap)은 AeAω로 정의되며, 식 (12)와 같이 정의된다.

Ap=AeAω.(12) 

Ap는 변압기 출력 전력과 동작 조건을 만족하기 위해 요구되는 최소 코어 규모를 평가하는 기준이다. 기존 구조에서는 변압기와 부스트 인덕터에 대한 각각의 Ap 요구치를 갖는 반면, 제안한 컨버터는 전체 요구 Ap가 단일 변압기로 표현된다. 이러한 차이는 Table 2의 비교 결과를 통해 확인되며, 제안 방식이 기존 대비 자기 소자 요구량의 저감을 입증한다.

Comparison of magnetic component Ap


4. 실험 결과

Fig. 7은 제안한 컨버터의 성능 검증을 위해 제작된 3 kW급 하드웨어 시제품을 보여준다. 이 시제품은 입력 측에서 약 2 kW는 LDC를 통해 출력 부하로 공급하고, 나머지 1 kW는 V2L 기능에 활용한다. 변압기는 권선비를 NP:NS1:NS2 =14:1:1로 설정하고 누설 인덕턴스를 약 8 μH로 설계하였다. 또한, 클램프 커패시터(Cc)와 링크 커패시터의 용량은 각각 1 μF와 330 μF로 선정하였다.

Fig. 7

Prototype hardware of proposed circuit

Fig. 8은 LDC 단독 동작 모드 실험 파형을 보여준다. 실험은 VO =13.5 V, 전부하 상태에서 VS =200 V, 300 V, 400 V로 변화시키며 진행하였다. 그 결과 정격 출력 전압 조건에서 LDC 회로가 안정적으로 동작함을 확인했다.

Fig. 8

Experimental waveforms under standalone LDC mode at VO = 13.5 V and IO = 140 A. (a) VS = 200 V. (b) VS = 300 V. (c) VS = 400 V

Fig. 9는 LDC 및 V2L 인버터 동시 동작 모드 실험 파형을 보여준다. 실험은 인버터 단은 Vac=220 Vrms, 60 Hz, 전부하로 유지하고, LDC 단은 VO =13.5 V, 전부하 상태에서 진행하였다. 실험 결과, 전부하 조건에서도 LDC 회로와 인버터 회로가 모두 안정적으로 동작함을 확인할 수 있었다.

Fig. 9

Experimental waveforms under LDC-V2L simultaneous-operation mode at VO = 13.5 V, Vac = 220 Vrms. and Iac = 4.5 Arms (a) VS = 200 V, (b) VS =300 V, (c) VS = 400 V

Fig. 10은 출력 전압 리플의 악의 조건에 해당하는 실험 파형을 보여준다. 이러한 조건은 입력 전압이 낮을수록 동일한 출력 전력을 전달하기 위해 1차측 전류가 증가하고, 그에 따라 120 Hz 성분의 영향이 커지면서 형성된다. 실험 결과, 1차측 전류에는 120 Hz 리플 성분이 존재하였으나, LDC 출력 전압 리플은 최대 380 mV로 제한되어 출력 전압이 안정적으로 유지되었다. 이를 통해 제안한 컨버터 토폴로지의 신뢰성과 실현 가능성이 입증된다.

Fig. 10

Experimental waveforms of the output voltage ripple under LDC-V2L simultaneous-operation mode at VS = 200 V, VO = 13.5 V, Vac = 220 Vrms and Iac = 4.5 Arms

Fig. 11은 입력 전압(200–400 V)과 부하 조건 20 %, 50 %, 80 %, 100 %에서 측정한 효율을 나타내며, 실험은 LDC 단독 동작 모드와 LDC 및 V2L 인버터 동시 동작 모드에서 수행하였다. 단독 동작 모드는 VO=13.5 V에서 진행하였으며, 동시 동작 모드는 동일한 VO 조건에서 인버터 단은 Vac=220 Vrms, 60 Hz, 전부하로 설정하였다. 최대 부하 시 단독 동작 모드는 91.24-91.35 %, 동시 동작 모드는 92.88-93.18 %로 측정되었으며, 제안한 컨버터가 모든 동작 모드에서 안정적인 효율을 유지함을 확인하였다.

Fig. 11

Measured efficiency of the proposed converter. (a) standalone LDC mode, (b) LDC-V2L simultaneous-operation mode

Fig. 12는 입력 전압(200–400 V)에서 측정한 기존 LDC+Boost 구조(Conventional)와 제안된 통합형 컨버터(Proposed)의 효율 비교 결과를 나타낸다. 효율 비교는 Fig. 11과 같은 동시 동작 조건에서 수행하였으며, LDC 부하는 전부하 조건으로 설정하였다. 측정 결과, 제안된 구조는 전 구간에서 기존 구조와 유사한 효율을 보이면서도 최대 약 0.4 % 높은 효율을 나타냈다. 따라서, 제안된 구조는 기존 대비 효율 저하 없이 운전이 가능함을 확인하였다.

Fig. 12

Measured efficiency comparison of conventional LDC + Boost converter and proposed integrated LDC-Boost converter


5. 결 론

본 논문에서는 HEV에서 V2L 기능을 구현하기 위해 별도의 부스트 컨버터 없이도 동작 가능한 통합형 전력 변환기를 제안하였다. 제안된 회로는 기존 ACF 기반 LDC)와 부스트 변환 단을 하나의 회로로 통합하여, 전력 반도체 스위치와 자기 소자를 공유함으로써 시스템 부피를 축소하고 전력 반도체 소자 수를 저감하였다. 이러한 구조적 특징은 기존 방식 대비 단순화된 회로 구성을 가능하게 하였다.

제안된 컨버터의 타당성은 제작된 3 kW 하드웨어 시제품을 통해 검증하였다. LDC 단독 모드와 LDC 및 V2L 인버터 동시 동작 모드에서 실험을 수행한 결과, 두 조건 모두에서 안정적인 동작을 보였으며, 최대 부하 조건에서 각각 91.35 % 및 93.18 %의 효율을 유지하였다. 이를 통해 제안된 변환기의 성능과 안정성이 확인되었다. 결과적으로, 제안된 통합형 전력 변환기는 HEV의 V2L 기능 구현을 위한 소형·고효율 구조로서의 타당성을 입증하였으며, 향후 차량용 전력 변환 시스템의 실용화에도 기여할 수 있다.

Nomenclature

HV : high-voltage battery
LV : low-voltage battery
VS : input voltage, V
VO : output voltage, V
Vlink : DC-link voltage, V
Vac : ac output voltage, V
VCc : clamp capacitor voltage, V
VLo : output inductor voltage, V
iLo : output inductor current, A
iLlkg : leakage inductor current, A
iLm : magnetizing inductor current, A
ilink : DC-link current, A
iLm,offset : offset component of magnetizing current, A
PO : power of output stage, W
PAC : power of ac stage, W
Lm : magnetizing inductance, H
Llkg : leakage inductance, H
LO : output inductance, H
Cc : clamp capacitor, F
n : transformer turn ratio
fs : switching frequency, Hz
fac : ac line frequency, Hz
DLDC : duty ratio of LDC stage
Deff : effective duty ratio
QM : main switch
QA : auxiliary switch
DL_QM : duty loss of main switch QM
DL_QA : duty loss of auxiliary switch QA

Acknowledgments

이 논문은 인천대학교 2025년도 자체연구비 지원에 의하여 연구되었음.

References

  • International Energy Agency, Global EV Outlook 2025: Expanding Sales in Diverse Markets, International Energy Agency, https://www.iea.org/reports/global-ev-outlook-2025, , 2025. 2025.
  • Y. J. Kim, J. Y. Lee, I. O. Lee, B. K. Lee, S. W. Choi and Y. G. Hong, “Study on 3-Phase Isolated PFC Converter for the Electric Vehicle Charger,” Transactions of Korean Institute of Power Electronics, Vol.21, No.5, pp.404-413, 2017.
  • H. S. Kim, H. J. Kim and J. S. Ahn, “A Study on High Efficiency OBC with Wide Range Output Using Isolated Current-Fed PFC Converter,” Journal of Korea Institute of Information, Electronics, and Communication Technology, Vol.12, No.2, pp.99-105, 2019.
  • J. Yuan, L. Dorn-Gomba, A. D. Callegaro, J. Reimers and A. Emadi, “A Review of Bidirectional On-Board Chargers for Electric Vehicles,” IEEE Access, Vol.9, pp.51501-51518, 2021. [https://doi.org/10.1109/ACCESS.2021.3069448]
  • A. Khaligh and M. D’Antonio, “Global Trends in High-Power On-Board Chargers for Electric Vehicles,” IEEE Transactions on Vehicular Technology, Vol.68, No.4, pp.3306-3324, 2019. [https://doi.org/10.1109/TVT.2019.2897050]
  • C.-W. Lin, H.-J. Chiu, M.-S. Tzeng, J.-W. Yeh and C.-H. Huang, “Novel Bidirectional On-Board Charger for G2V and V2X Applications on Wide-Range Batteries,” IEEE Journal of Emerging and Selected Topics in Power Electronics, Vol.12, No.2, pp.2292-2305, 2024. [https://doi.org/10.1109/JESTPE.2024.3367874]
  • K. Zhou, Y. Huang and S. Zheng, “Research on Bidirectional On-Board Charging System Based on Three-Phase Wye-Wye Connected CLLLC Resonant Converter,” IEEE Access, Vol.11, pp.101998-102013, 2023. [https://doi.org/10.1109/ACCESS.2023.3314510]
  • X. Zhang, Y. Zhang, J. Wang, H. Li and H. Zhao, “Design and Modeling of CLLC Converter for Bidirectional On-Board Charger,” IEEE Transactions on Industry Applications, Vol.59, No.5, pp.6095-6102, 2023. [https://doi.org/10.1109/TIA.2023.3281300]
  • S. Kumar, B. Ramalingam and K. B. Yadav, “A Novel Circuit Topology for Vehicle to Load (V2L) Application,” Proceedings of the 9th International Conference on Electrical Energy Systems (ICEES), pp.300-305, 2023. [https://doi.org/10.1109/ICEES57979.2023.10110048]
  • A. Masakure and D. H. Goyal, “Advanced Converter Topologies for Efficient Electric Vehicle-to-Load Integration,” Proceedings of the 4th Asian Conference on Innovation in Technology (ASIANCON), pp.1-4, 2024. [https://doi.org/10.1109/ASIANCON62057.2024.10837808]
  • V. Rishishwar, A. Raghuwanshi and A. Ojha, “Single Phase Bi-directional Electric Vehicle Battery Charger with G2V, V2G and V2L Technologies,” Proceedings of the IEEE Renewable Energy and Sustainable E-Mobility Conference (RESEM), pp.1-6, 2023. [https://doi.org/10.1109/RESEM57584.2023.10236098]
  • M. A. Islam, K. N. Hasan, M. Datta and G. Lamb, “Smart EV Charging-Discharging Management with Grid-Home-PV Interaction using V2X Charger,” Proceedings of the 34th Australasian Universities Power Engineering Conference (AUPEC), pp.1-6, 2024. [https://doi.org/10.1109/AUPEC62273.2024.10807628]

Fig. 1

Fig. 1
Conventional power conversion system configurations of xEVs. (a) BEVs. (b) HEVs

Fig. 2

Fig. 2
Power conversion block diagram for V2L function in HEVS

Fig. 3

Fig. 3
Configurations of LDCs for HEV V2L operation. (a) conventional with boost converter, (b) proposed integrated LDC–boost converter

Fig. 4

Fig. 4
Key operational waveforms of the proposed circuit

Fig. 5

Fig. 5
Topological states of proposed converter. (a) Mode 1 [t0-t1], (b) Mode 2 [t2-t3]

Fig. 6

Fig. 6
DC-link voltage under various input and output conditions

Fig. 7

Fig. 7
Prototype hardware of proposed circuit

Fig. 8

Fig. 8
Experimental waveforms under standalone LDC mode at VO = 13.5 V and IO = 140 A. (a) VS = 200 V. (b) VS = 300 V. (c) VS = 400 V

Fig. 9

Fig. 9
Experimental waveforms under LDC-V2L simultaneous-operation mode at VO = 13.5 V, Vac = 220 Vrms. and Iac = 4.5 Arms (a) VS = 200 V, (b) VS =300 V, (c) VS = 400 V

Fig. 10

Fig. 10
Experimental waveforms of the output voltage ripple under LDC-V2L simultaneous-operation mode at VS = 200 V, VO = 13.5 V, Vac = 220 Vrms and Iac = 4.5 Arms

Fig. 11

Fig. 11
Measured efficiency of the proposed converter. (a) standalone LDC mode, (b) LDC-V2L simultaneous-operation mode

Fig. 12

Fig. 12
Measured efficiency comparison of conventional LDC + Boost converter and proposed integrated LDC-Boost converter

Table 1

Key design specification

Symbol Parameter Value
VS Input-voltage 200-400 V
VO Output-voltage 12-15 V
IO Output-current 140 A
PO Power of output stage 2 kW
PAC Power of AC stage 1 kW
fs Switching frequency of LDC stage 100 kHz
fAC AC line frequency 50-60 Hz

Table 2

Comparison of magnetic component Ap

- Conventional converter Proposed V2L converter
Transformer EE5555S
[16.3725 cm4]
EE6565S
[18.1405 cm4]
Boost inductor CH330060
[1.95 cm4]