
타이어-노면 마찰 계수를 고려한 ANFIS 회생 제동 제어 전략
Copyright Ⓒ 2026 KSAE / 243-03
This is an Open-Access article distributed under the terms of the Creative Commons Attribution Non-Commercial License(http://creativecommons.org/licenses/by-nc/3.0) which permits unrestricted non-commercial use, distribution, and reproduction in any medium provided the original work is properly cited.
Abstract
This study examines the stability and efficiency of regenerative braking systems under varying Tire-Road friction coefficients. To allocate hydraulic and electric braking forces, a four-input, single-output Adaptive Neuro-Fuzzy Inference System(ANFIS) controller is designed, considering the effects of braking intensity, vehicle speed, battery state of charge(SOC), and Tire-Road friction coefficient on regenerative braking performance. ANFIS is employed because it can autonomously adjust fuzzy rules and parameters based on training data, enabling real-time adaptation to external disturbances and environmental changes. The controller is trained by using optimized datasets in generating membership function parameters to ensure effective torque distribution. The electric vehicle model and the regenerative braking system are implemented in MATLAB/Simulink, and simulations are performed under four driving conditions, including the New European Driving Cycle(NEDC). The proposed ANFIS-based control system can successfully recover braking energy, thus achieving improvements in energy recovery efficiency of 0.35 %, 0.43 %, 0.02 %, and 0.86 % under four driving conditions, respectively, compared to conventional fuzzy neural network(FNN) controllers.
Keywords:
Regenerative braking, Electric vehicle, ANFIS(Adaptive Neuro-Fuzzy Inference System), Battery, Tire–road friction coefficient키워드:
회생제동, 전기자동차, 배터리, 타이어-노면 마찰계수1. 서 론
자동차 산업은 전통적으로 내연기관 자동차를 중심으로 발전되어왔다. 하지만 최근에는 하이브리드, 수소 연료전지 그리고 전기자동차(EV)와 같은 전기 동력 차량으로 빠르게 발전하고 있다. 국제에너지기구(IEA)에 따르면 글로벌 전기자동차 시장은 2010년부터 2020년까지 지속적으로 성장했으며, 판매량은 2021년 478만 대에서 2022년 802만 대로 약 40 % 증가했다.1) 자동차 산업의 급격한 변화 요인으로는 환경 문제, 전기자동차 기술의 발전 그리고 적극적인 정부 정책 등이 있다. 특히 전기자동차는 운행 중 대기오염 물질을 배출하지 않으므로 환경적 이점이 크다.2) 따라서 전기 자동차는 제한된 주행 거리와 긴 충전시간이라는 단점이 있음에도 환경 문제의 해결 방안으로 주목받고 있다.3,4)
전기자동차는 제한된 주행거리를 개선하기 위한 다양한 연구와 개발이 진행되고 있다. 에너지 소비 절감과 효율성 향상을 위해 고에너지 밀도 배터리 개발, 경량화, 파워트레인 개선 그리고 공기역학적 기술을 적극적으로 추진되고 있다.5) 또한 전기자동차에는 내연기관 자동차와 다르게 에너지 소비를 줄이는 회생 제동 시스템이 있다.6) 회생 제동 시스템을 이용한 에너지 회수는 전기차의 연비를 개선하기 위한 전략 중 하나이다.7,8)
회생제동 시스템은 전기자동차의 주행거리 상향에 중요한 역할을 한다.9) 전기자동차는 배터리에 저장된 에너지를 통해 구동 모터에 전력을 공급한다.10) 회생제동은 제동 과정에서 발생하는 운동 에너지를 이용하여 전기 모터를 발전기처럼 작동시켜 에너지를 회수할 수 있다.11) 이 과정에서 회수된 에너지는 향후 사용을 위해 에너지 저장 장치인 배터리에 저장된다.12)
회생 제동은 마찰 제동과 함께 작동하여 총 제동력 요구 사항을 충족하는 협조 회생 제동으로 이루어진다. 협조 회생 제동은 제동력 분배 방식에 따라 직렬 제동력 분배와 병렬 제동력 분배로 구분할 수 있다.13) 직렬 제동력 분배는 회생제동이 마찰제동보다 먼저 적용되어 모든 상황에서 최대한의 에너지 회수가 가능하다.14-16) 반면 병렬 제동력 분배는 회생제동과 마찰제동이 동시에 작동하며, 회수되는 에너지 양은 직렬제동보다 적고 승차감도 저하되지만 주행 안정성을 보장한다.17-19)
회생제동은 주행의 에너지 효율 향상뿐만 아니라 제동 안정성을 보장하는 방향으로 설계되어야 한다. 배터리의 충전 상태(State of Charge, SOC), 제동력의 크기 그리고 주행 속도 등의 일부 조건에서 회생제동이 제한된다.20) 또한 노면의 상태에 따라서도 회생제동의 제동력이 떨어져 제한되기도 한다.21) 따라서 주행 상황에 따라 회생 제동과 마찰 제동 간의 제동력을 적절히 배분하는 회생제동 제어 전략이 중요하다.22)
우선 배터리 SOC에 따라 회생제동은 제한된다. SOC가 높은 상태에서는 마찰 제동을 우선적으로 사용하고 회생제동을 제한하여 배터리 과충전을 방지한다.23) SOC가 낮은 경우에서도 배터리 보호를 위해 충전 전류를 제한하며 회생제동을 제어해야 한다.23,24) 따라서 SOC가 중간 수준일 때 회생제동을 최대로 활용하여 에너지 효율을 극대화한다.24) 이러한 배터리 SOC 기반으로 회생제동을 제어하는 전략은 전기 자동차의 에너지 효율성을 높이고 수명을 연장하는데 중요한 역할을 한다.25)
제동 강도에 따라 회생제동 시스템을 제어하는 것은 제동 안정성에 중요하다. 약한 제동력이 필요한 상황에서 회생제동만으로 제동력을 제공하여 에너지 회수를 극대화할 수 있다. 중간정도의 제동 강도에서는 회생제동과 마찰제동의 협조 제어를 통해 요구 제동력을 충족시키며 에너지를 회수한다.26) 하지만 강한 제동이 필요한 경우에는 회생제동만으로는 충분한 제동력을 확보할 수 없고 안정성을 저하시키기 때문에 마찰제동이 주 제동 수단이고, 회생제동은 보조적으로 작동한다.27) 이러한 제동 강도 기반의 회생제동 제어는 제동 안정성과 에너지 효율성 간의 균형을 확보하는데 중요하다.26)
차량 속도에 따라서도 회생제동 시스템의 제어 전략은 달라진다.26) 저속 주행에서는 회생 제동 효율이 낮아 마찰제동 비중을 높여야 한다.27) 중속 주행에서는 제동 강도에 따라 회생제동과 마찰 제동의 협조 제어를 통해 제동한다. 고속 주행에서는 제동의 안정성을 위해 마찰 제동이 주 제동 수단이 되며 회생제동은 보조적으로 작동한다.28) 차량 속도 기반으로 회생제동을 제어하는 것 또한 제동의 안정성에 중요하다.29)
타이어-노면 마찰계수(Tire-road friction coefficient)는 제동의 안정성에 직접적인 영향을 미친다.30) 마른 아스팔트 도로와 같이 높은 마찰계수에서의 제동 시, 회생제동의 비중을 높여 에너지 회수를 극대화할 수 있다. 하지만 눈길이나 빙판과 같은 낮은 마찰계수를 갖는 상황에서는 바퀴 잠김을 방지하기 위해 회생제동을 제한하고 마찰제동의 비중을 높이는 협조 제어가 필요하다.
타이어-노면 마찰계수는 차량 속도, Slip ratio 그리고 도로 표면 상태(Surface condition)에 따라 추정하는 Magic formula로 추정할 수 있다. 이때 도로 표면 상태는 차량 장착 카메라 영상을 활용하는 방법, RWIS 데이터와 CCTV 이미지를 결합한 방법 그리고 딥러닝 모델을 이용한 방법 등이 있다.31) 그러나 이 방법들은 센서 의존성과 구현 복잡성이 크기 때문에, 본 연구에서는 도로 표면 상태를 시나리오로 설정하여 접근한다.
전기자동차의 전·후륜의 적절한 제동력 분배 역시 제동의 안정성에 있어 중요하다.32) 현재 전기자동차의 제동 안정성 관리는 유럽 경제위원회(ECE)에서 규정한 제동력 분배 표준을 따르고 있다. 이와 함께 최대 제동력을 얻으면서도 타이어가 미끄러지지 않게 하는 이상적인 제동력 분배 전략에 의해 분배한다.33) 이는 접착 조건에 따른 제동 안정성과 에너지 회수를 향상시킨다.33,34)
회생 제동 제어 전략에 대해 많은 연구가 진행중이다. Zhang26)에서 제동 강도에 따른 최적화 분배 알고리즘을 적용한 회생제동 전략을 제안하고, 배터리 SOC과 토크의 한계를 반영한 최적의 제동력 분배 제어기를 통한 회생 제동 제어 전략을 제시했다. Geng35)은 앞 차축의 제동력 분배 계수를 개선하며, 차량 속도, 제동 강도 및 SOC을 고려하는 이중 계층 다중 파라미터 회생 제동 전략을 제안했다. Xu29)은 전·후륜의 제동력 분배를 이상적인 분배 곡선을 따르며, 제동 강도, 차량 속도, 배터리 SOC, 배터리 온도 등을 활용하여 직렬 회생 제동과 통합된 퍼지 로직 기반의 회생 제동 전략을 개발했다.
현재까지 진행된 연구들 중, 다양한 타이어-노면 마찰 계수와 배터리 SOC, 제동 강도, 차량 속도에 따른 회생 제동 전략을 제시한 논문은 없었다. 따라서 본 연구에서는 크게 두가지를 기여한다. (i) 전·후륜 제동력 분배 표준을 기반으로 타이어-노면 마찰계수를 고려한 회생제동 제어 전략을 제안한다. (ii) 앞서 제안한 회생제동 전략으로 타이어-노면 마찰계수, 배터리 SOC, 차량 속도 그리고 제동 강도를 반영한 ANFIS(Adaptive Neuro-Fuzzy Inference System) 제어기를 설계한다. 이후 MATL AB/Simulink 환경에서 전기자동차 모델, 회생제동 시스템, 제어기를 구성한 후, 선행 연구의 제어기와 비교하여 제안한 제어기의 성능을 평가한다.
본 논문의 2장에서는 자동차 동역학 식을 기반으로 MATLAB/Simulink에서 전기자동차 모델을 구축한다. 이때 노면 상태와 Slip ratio에 따른 타이어-노면 마찰계수를 반영하여 구축한다. 3장에서는 설계한 제어기의 에너지 회수율을 평가하기 위해, MATLAB/Simulink에서 회생제동 시스템을 재현한다. 4장에서 제동의 안정성을 위해 전·후륜 제동력 분배 표준을 소개하고, 이를 기준으로 타이어-노면 마찰계수에 따른 회생제동 분배 전략을 제안한다. 5장에서는 제안한 회생 제동 분배 전략을 기반으로 ANFIS 제어기를 구현한다. 6장에서는 구현한 ANFIS제어기와 선행 연구의 제어기 성능을 비교하여 평가한다. 선행 연구의 회생 제동 전략을 기반으로 2가지 제어기를 재현하고, 이후 타이어-노면 마찰계수를 변경하며 차량 속도추종성능, 모터토크응답, 배터리 SOC을 비교한다. 7장에서는 위 결과를 정리한다.
2. 전기자동차 모델
2.1 전기자동차 파워트레인 시스템
전기자동차의 파워트레인 시스템은 모터의 수와 구조에 따라 일반적으로 6가지로 분류한다.36) Fig. 1에서 (a) ~ (c)는 단일 모터를 사용한 EV 파워트레인을 보여준다. 이는 기존 내연기관 차량의 기존 기계식 시스템 활용도를 극대화할 수 있다. 반면 Fig. 1(d) ~ (f)와 같이 두개의 모터를 기반으로 하는 전기 자동차 파워트레인은 모터에서 구동 바퀴까지의 기계적 경로를 단축할 수 있다.37)
EV powertrain architecture. The labels indicate: C - clutch; D - differential; FG - fixed gearing; GB - gearbox; M – electric motor;
본 연구는 Fig. 1의 (e)에 제시된 바와 같이, 두 개의 모터와 고정 기어를 적용한 In-wheel 타입의 전륜 구동 파워트레인 구조를 채택한다. 전륜 구조의 특성으로 회생제동은 전륜에만 적용된다.
2.2 전기자동차 동역학 모델
회생 제동 시뮬레이션 환경을 구축하기 위해 차량 동역학 모델이 필요하다. 본 연구에서는 전기자동차의 제동 성능에 초점을 맞추기 때문에 차량 동역학 모델은 직선 제동과 평탄한 노면(θ = 0)으로 가정한다. 따라서 조향 효과를 배제하고, 차량의 종방향 운동만 고려하여 차량 모델을 구성한다. Fig. 2에 표시된 차량 동역학 모델은 다음을 따른다.
| (1)38) |
m은 차량의 총 질량, θ는 도로의 경사면, x(t)는 시간 영역에서의 위치이며 는 자동차의 종방향 가속도를 나타낸다. FM는 모터에 의한 구동력, FR은 주행 중 발생하는 주행 저항력, Fbf는 타이어와 도로 사이의 종방향 마찰력, FPb는 물리적 브레이크 힘이다.
전기자동차에서 구동력은 모터의 토크로 가해진다. FM는 차량의 구동력으로 다음과 같다.
| (2)38) |
Re는 타이어의 유효 회전 반경, Tm는 모터 토크, g0는 종감속 기어비다. Tm이 양의 값일 때는 배터리의 전력을 소모하며 FM가 구동력으로 동작하고, 음의 값일 때는 모터가 발전기로 동작하며 전력을 생성한다.
생성 및 소모되는 전력은 다음과 같다.
| (3)39) |
Pout는 실제 모터에 공급되는 전력, Wm는 모터의 각속도(rad/s), ηm는 모터의 효율이다. 본 연구에서 사용한 모터의 각속도와 토크에 따른 모터 효율은 Fig. 3과 같이 Look-up Table을 통해 계산한다. 이는 [9]의 데이터를 기반 구축했다. 모터의 효율은 모터의 각속도와 모터 토크에 의해 결정된다.
회생제동 시 최대 모터 토크(Tm,gen)는 다음과 같다.
| (4)40) |
모터 토크가 음수인 경우, 즉 회생제동 시 모터 효율에 의해 모터의 최대 토크가 Fig. 4과 같이 제한된다. 이는 회생제동이 가능한 최대 토크가 제한됨을 의미한다.
FR은 주행 중 발생하는 저항력으로 다음과 같다.
| (5)37) |
Fgrad는 도로 경사면에 의한 저항으로 g는 중력 가속도이다. Froll는 타이어의 반복적인 변형으로 발생하는 구름 저항력으로 μx는 구름 저항 계수이다. Fair는 공기역학적 저항으로 CD는 공기 역학 계수, ρ는 공기 밀도, A는 차량의 전면 투사 면적이다. 본 연구에서는 평탄한 노면 주행으로 가정하므로 Fgrad=0이다.
Fbf는 Fig. 2에서와 같이 타이어와 도로 사이의 종방향 마찰력이며 이는 다음과 같다.
| (6)38) |
Fxf와 Fxr은 각각 전륜과 후륜의 타이어와 도로 사이의 종방향 마찰력이며, 이는 다음을 따른다.
| (7)38) |
Fzj(t)는 타이어의 하중, μj는 타이어와 노면 간의 마찰 계수이다. 타이어-노면 마찰 계수는 다음과 같다.
| (8)41) |
kj는 Slip ratio, 는 차량 속도이고 C1, C2, C3, C4는 상수이며 도로 표면 상태에 따라 Table 1을 따른다. 본 연구는 타이어–노면 마찰계수 변화가 회생제동 분배에 미치는 영향을 분석하는데 집중하기 위해, 도로 표면 상태는 Dry, Wet, Snow의 시나리오 기반으로 설정한다.
바퀴 축과 타이어 회전 속도 사이의 종방향 속도 차이를 정의하는 종방향 Slip ratio(kj)는 다음을 따른다.
| (9)41) |
Re는 타이어의 유효 회전 반경, ωwj는 바퀴의 각속도 이다. Fig. 5는 식 (9)을 통해 계산된 Tire-road friction coefficient의 예시를 보여준다.
본 연구에서 사용된 타이어 하중 모델은 수평 도로 (θ=0), 직선 주행, 고정된 무게 중심 조건을 기반으로 유도되었으며, Hitch force, 낮은 속도에서의 공기역학적 저항, Pitching등의 동적 요소는 고려하지 않았다. 이러한 가 정 하에서 타이어 하중(Fzj)은 다음을 따른다.
| (10)38) |
| (11)38) |
Fzf(t)와 Fzr(t)은 각각 앞바퀴와 뒷바퀴의 타이어 하중이다. Lf와 Lr은 자동차의 무게중심에서 앞 뒤 타이어 까지의 종방향 거리이고, ℎ는 무게 중심에서부터 차량 지면까지의 거리이다. 이는 식 (7)에 따라 타이어-노면 마찰계수와 곱해져 타이어와 도로의 종방향 마찰력을 나타낸다.
사용된 전기 자동차의 파라미터는 Table 2와 같다.
FPb는 물리적 마찰 브레이크로 인한 제동력이다. 전기 자동차가 제동하기 위해서 회생제동과 함께 마찰 브레이크를 사용한다. 본 연구에서는 마찰 브레이크로 Disc brake을 사용하며, 이는 다음을 따른다.
| (12)42) |
| (13)42) |
Tbr은 Disc brake의 Brake torque, f는 Friction coefficient, A2는 Hydraulic cylinder area, n은 Cylinder의 개수이다.
R은 Braking radius로 다음과 같다.
| (14)42) |
D는 Effective brake disc diameter, d는 Cylinder diameter이다. Brake torque는 입력 변수 Hydraulic cylinder pressure(P)로 제어한다. 이는 브레이크를 밟으면 유압 실린더에 압력으로 자동차를 제동하는 방식이다.
Disc brake에 필요한 파라미터는 Table 3와 같다.
3. 회생제동 시스템
본 연구에서 설계한 회생제동 제어기의 성능을 평가 하기 위한 회생 제동 모델은 Fig. 6과 같다. 이 모델은 [43], [47]을 참고하여 PMSM(Permanent Magnetic Synchronous Motor) 모듈, Hall sensor/decoder, Bridge, Battery module, Hysteresis current control system, PI 제어기로 재현했다.
3.1 회생 제동 시스템 모델
본 연구에 사용된 회생제동 시스템의 PMSM은 MAT LAB/Simulink에서 Simscape’s specialized power systems sub library49)의 Model을 사용한다. 이 블록은 입력된 모터의 토크에 대해 3상 Stator current(Iabc)을 출력할 수 있으며, Hall sensor로 자기장 속에 전류가 흐를 때 수직 방향으로 발생하는 전압을 감지하여, 디지털 신호로 출력하는 신호인 Hall effect signal을 출력할 수 있다. 또한 현재 모터의 각속도도 알 수 있다.49)
Fig. 6의 회생제동 시스템은 실시간 차량의 Rotor speed을 Reference rotor speed로 놓고, PMSM가 Reference speed를 추종하게 함으로써 회생제동 시스템을 재현한다. 이는 Field-orient control로 시스템을 설계한다.47) Reference Rotor speed와 PMSM의 Rotor speed 간의 오차를 기반으로 PI 제어기를 통해 dq좌표계에서의 Reference에 대한 전류 Iq을 산출한다. 이는 Decoding 된 Hall effect signal와 곱해져 모터 토크를 제어하기 위한 Reference의 3상 전류인 Iabc*을 산출한다. 이후 PMSM에서 발생한 3상 전류인 Iabc을 Hysteresis controller을 통해 3상의 PWM 신호로 변환하고 이를 인버터에 인가하여 전력을 제어한다.43,47,48)
3.2 Iq reference
Reference Rotor speed와 PMSM에서의 실제 Rotor speed의 오차를 기반으로 PI 제어하면, Reference에 대한 Iq인 Iq,ref을 계산할 수 있다. 이는 식 (15)와 같이 표현된다.
| (15)43) |
식 (15)의 변수는 다음과 같이 정의된다. Iq,ref는 Referece rotor speed에 대한 q축 전류, Kp는 Proportional gain, KI는 Integral gain, Wr,ref는 Reference rotor speed, Wr는 회생제동 시스템 PMSM의 Rotor speed을 나타낸다.
3.3 Reference의 3상 Stator Current (Iabc*)
Reference rotor speed에 대한 PMSM의 3상 전류인 Iabc*는 식 (16)과 같다.43)
| (16)43) |
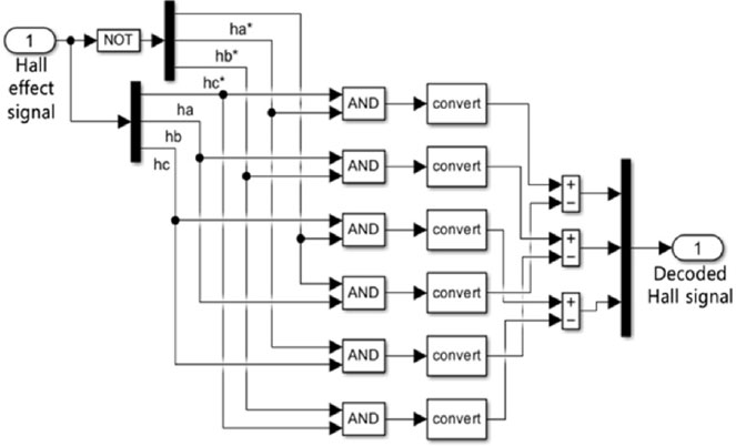
식 (16)의 Hsignal는 Decoded Hall signal이다. 이는 PMSM 블록의 Hall sensor로 측정된 Hall effect signal을 Decoding 한 신호이다. 이에 필요한 Decoder는 AND 게이트와 Convert을 이용하여 Fig. 7과 같이 구현했다.43)
식 (15)을 통해 계산된 Iq,ref에 Decoded hall signal을 곱하면, Iabc*을 구할 수 있다.
3.4 Hysteresis Control
PWM 신호를 생성하여 이를 인버터에 인가하여 모터 토크를 제어하기 위해, Reference의 3상 전류인 Iabc*와 PMSM의 3상 전류인 Iabc의 오차를 기반으로 Hysteresis 제어를 한다.50)
식 (16)에서 얻은 Iabc*와 PMSM 블럭의 출력으로 얻은 Iabc 간의 오차를 계산하고, 이 오차가 기준 전압 5V를 기준으로 스위칭 한다. 이를 Fig. 8과 같이 Hysteresis controller을 구현했다.51)
PMSM의 3상 신호로부터 NOT 게이트를 통해 총 6개의 펄스 신호를 생성하고, 이 신호 통해 전류 스위칭을 구현한다. 이후 생성된 PWM 신호(Gate pules)는 인버터에 인가되어 배터리의 직류 전원을 교류 전원으로 변환하고, 이를 모터에 공급하여 모터 토크를 제어한다.50)
본 연구에 사용된 회생 제동 시스템의 주요 파라미터는 Table 4와 같다.
4. 제동력 분배 표준 및 회생 제동 전략
차량 제동에서 전·후륜 간의 제동력 분배는 제동 안정성을 확보하는데 중요하다. 특히 회생 제동 시스템의 경우, 차량 파워트레인 구조(FWD, RWD, AWD)에 따라 회생 제동이 적용되는 축이 달라지므로, 축 간 제동력 분배는 더욱 중요하게 작용한다.45) 따라서 4장에서는 전·후륜의 제동력 분배 표준을 소개하고, 이를 통해 타이어-노면 마찰계수에 따른 회생 제동 전략을 제시한다.
4.1 전·후륜 제동력 분배 전략
안정적인 제동을 위해서는 전륜에 우선적으로 제동력을 분배하거나, 모든 바퀴에 제동력이 동시에 작동하도록 제어해야 한다. 이는 뒷바퀴가 앞바퀴보다 먼저 잠길 경우 차량의 방향 안정성이 저하되고, 측면 미끄러짐 현상이 발생할 수 있기 때문이다.36) 따라서 전·후륜 제동력 분배 3 가지 표준을 소개한다.
먼저 앞뒤 바퀴가 동시에 잠기는 경우, 앞뒤 바퀴는 이상적인 제동력 분포 곡선인 I-curve을 따른다. 이 곡선은 차량의 하중 이동 및 접지력 분포를 반영하여, 제동 중 각 축에 가해져야 하는 최적의 제동력 관계를 정의한다. 이 관계는 다음과 식 (17)을 따른다.33)
| (17)33) |
Ff, Fr는 각각 앞바퀴와 뒷바퀴 제동력, Lf와Lr은 자동차의 무게중심에서 앞뒤 타이어까지의 종방향 거리, g는 중력가속도, h는 무게 중심에서부터 차량 지면까지의 거리, m은 자동차의 무게이다.
앞바퀴가 잠겨 있고 뒷바퀴는 잠겨 있지 않은 경우, 앞뒤 바퀴의 제동력 분포는 f line groups을 따른다. 이는 다양한 타이어-노면 마찰계수를 갖는 도로 상태에 따라 식 (18)과 같이 나타난다.52)
| (18)52) |
뒷바퀴가 앞바퀴보다 먼저 잠기는 경우, 타이어-노면 마찰계수에 따른 제동력 분포는 r line groups을 따른다. r line에 따른 전·후륜 제동력 분배는 식 (19)와 같다.52)
| (19)52) |
이는 앞뒤 바퀴가 동시에 잠기지 않는 경우, 타이어-노면 마찰계수에 따라 전·후륜의 제동력 분배를 다르게 해야함을 알 수 있다. 타이어-노면 마찰계수에 따른 f line과 r line은 Fig. 9와 같다.
차량의 제동 안정성을 보장하기 위해서는, 앞바퀴가 잠기는 상황에서도 뒷바퀴가 일정 수준의 제동력을 유지해야 한다.33) 이를 보장하기 위해 유럽 경제위원회(Economic Commission of Europe, ECE)는 ECE-R13 브레이크 규정을 제정했다.34) 이 규정은 제동력에 따른 2축 차량의 전·후륜 간 제동력 분배에 대한 명확한 요구 사항을 제시하고 있다. 제동력(Z)는 식 (20)을 따른다.
| (20)33) |
Z는 제동 강도로 차량 감속과 중력 가속도의 비율로 식 (20)과 같이 정의된다.
Z가 0.2 ~ 0.8인 경우, 앞 바퀴의 접착력 곡선이 뒷바퀴의 접착력 곡선보다 높아야 한다.34) 즉, r line이 f line보다 높아야 한다. 제동 시 차량의 방향 안정성을 보장하기 위해 앞바퀴가 먼저 잠기고, 식 (21)을 만족하고 I-curve (μj = Z)에 근접해야 높은 안정성을 보장할 수 있다. 전륜 구동 차량에서의 ECE 하한선은 식 (22)과 같다.
| (21)33) |
| (22)33) |
또한 ECE는 다음 식 (23)와 같이 뒷바퀴에 적용해야 하는 최소 제동력을 지정한다.
| (23)46) |
앞바퀴가 잠긴 상태에서도 차량이 안정적으로 감속하기 위해서는, 뒷바퀴 제동력이 식 (23)로 계산된 제동력보다 큰 감속을 가능하게 할 정도로 충분히 확보되어야 한다.
앞서 언급한 제동력 분배 곡선의 이상적인 관계인 I-curve와 ECE 브레이크 제어 곡선 그리고 f, r line groups 간의 관계를 바탕으로 구성한 전·후륜 제동력은 Fig. 9과 같다. Fig. 9의 A ~ E 곡선은 타이어-노면 마찰계수가 0.6 일 때의 앞뒤 바퀴 제동력 분배 곡선이다. 전륜구동 전기 자동차의 파라미터를 기준으로 타이어-노면 마찰계수에 따라 전·후륜 제동력이 분배된다.
4.2 타이어-노면 마찰 계수에 따른 회생제동 전략
타이어-노면 마찰계수는 차량의 주행 환경에 따라 변하며, 제동의 안정성을 위해 Fig. 9과 같이 전·후륜 제동력 분배가 달라진다. 따라서 회생제동 효율성과 차량 안정성을 동시에 확보하기 위해, 타이어-노면 마찰계수에 따른 회생 제동과 마찰 제동의 분배 제어 전략을 다음과 같이 제시한다.
(1) AB 구간에서는 경미한 제동 상태로, 차량은 비교적 낮은 제동력만을 요구한다. 이 경우 차량의 감속이 크지 않으므로 최대로 회생 제동한다.
(2) BCD 구간에서는 중간 수준의 제동이 요구되며, 상당한 제동력을 필요로 한다. 따라서 회생 제동과 마찰 제동을 병행 적용하여 차량을 감속한다.
(3) DE 구간은 급제동 상황으로 간주되며, 자동차는 빠르게 감속하고 있다. 제동 안정성 확보가 우선시되므로 마찰 제동만으로 제동력을 확보한다.
타이어-노면 마찰계수에 따라 AB, BCD, DE 라인은 달라진다. 따라서 위에 제시한 전략을 기반으로 타이어-노면 마찰계수에 따른 회생제동 전략을 수립한다.
5. 회생제동 제어기 설계
본 연구에서는 타이어-도로 마찰계수, SOC, 차량 속도 그리고 Z을 입력으로 받아 회생제동을 제어한다. 제안한 회생제동 전략을 기반으로 다양한 타이어-노면 마찰계수를 식 (8)을 이용해 도로 상태와 Slip ratio, 차량 속도에 따라 추정하여 다양한 타이어-노면 마찰계수를 갖는 도로에서도 제동의 안정성을 보장하고 에너지 회수율을 개선한 ANFIS 제어기를 설계한다. ANFIS는 비선형 함수 근사 능력이 우수하며, 입력 데이터에 기반한 학습을 통해 복잡한 도로와 차량의 상호작용을 실시간으로 추론할 수 있어 본 연구에 타당한다. 따라서 4.2에서 제안한 전략과 선행 연구53-55)에서 전문가에 의해 제시된 제어 규칙을 기반으로 타이어-노면 마찰계수에 따른 훈련데이터(SOC, 차량 속도, Z)을 구성하여, 이를 통해 ANFIS 제어기를 설계한다.
5.1 ANFIS
ANFIS는 퍼지 추론 시스템(Fuzzy Inference System, FIS)의 해석 가능성과 인공 신경망(Artificial Neural Network, ANN)의 학습 능력을 결합한 하이브리드 모델로, 비선형 시스템에 효과적으로 사용된다.57) ANFIS는 일반적으로 Fig. 13와 같이 Fuzzification layer, Rule layer, Normalization layer, Defuzzification layer, Output layer의 5개의 layer로 구성되며, 각 layer는 퍼지 추론 과정의 핵심 기능을 수행한다.58)
ANFIS는 신경-적응형 학습(Neuro-adaptive learning) 기법을 통해 퍼지 모델링 과정에 학습한다. 이는 주어진 데이터 집합으로 유의미한 정보를 추출할 수 있도록 한다. 이 과정에서 ANFIS는 입력과 출력 데이터를 최적화하여 퍼지 추론 시스템의 멤버십 함수 파라미터를 조정한다. 학습 과정 동안, 이 멤버십 함수와 관련된 파라미터들은 변경되며 최적화된다.59)
본 연구에서는 MATLAB/Simulink의 Fuzzy Logic Toolbox에 포함된 ANFIS Block을 이용하여 제어기를 설계했다.60)
5.2 타이어-노면 마찰계수를 반영한 ANFIS 설계
본 연구에서 제안한 타이어-노면 마찰계수를 반영한 ANFIS 제어기를 학습시키기 위해, 배터리 SOC, 차량속도(V), 제동 강도(Z)의 제어 규칙은 기본 회생 제동 전략을 기반으로 조정한다. 기본 회생제동 전략은 제동 안정성을 고려하면서 최대한의 에너지를 회수하는 방향으로 설계되었다.53,54)
기존 회생 제동 전략53,54)은 SOC, V, Z을 입력 변수로 사용하며, 이들의 정보를 바탕으로 회생 제동 분배 계수 K을 출력한다. K는 전륜에 배분된 제동력 중 얼마나 높은 비율을 회생 제동으로 할당할지를 나타내는 지표이다. 다음은 각 입력 및 출력 변수에 대한 퍼지화 과정을 나타낸다.55)
- 1) Z는 [0,1] 범위로 설정하고, W, N, P로 분류한다.
- 2) SOC 값은 [0,1] 범위에서 LS, MS, HS로 정의했다.
- 3) V는 [0,140] km/h 범위에서 S, M, F로 분류한다.
- 4) K는 [0,1]의 범위를 가지며, VL, L, M, H, VH로 분류했다.
Table 5의 퍼지 제어 규칙은 전문가의 경험과 실험적 데이터에 따라 설계된다.55,56) 이는 위와 같은 제어 전략을 반영하고 있다.
타이어-노면 마찰계수에 따라 Table 5의 기본적인 회생 제동 규칙을 기반으로 퍼지 멤버십 함수를 조정하고, 이를 훈련데이터로서 추출하여 ANFIS 제어기를 훈련시켰다. 훈련데이터를 구성하기 위한 환경은 2, 3장을 기반으로 MATLAB/Simulink에서 전기 자동차와 회생제동 시스템을 Fig. 11와 같이 구축했다.
주행 사이클을 차량 모델에 입력하면, PI 제어기를 통해 실제 차량 속도가 목표 속도를 추종하도록 Motor Torque(모터 토크)을 계산한다. 이러한 시뮬레이션 구성에서는 모터 토크가 양수일 경우 차량에 구동력을 제공하지만, 모터 토크가 음수(제동 요구)로 계산될 경우 Braking force distribution system이 작동하여 총 제동력을 전·후륜에 적절히 배분한다. Braking force distribution system는 Fig. 12와 같이 구성했다.
본 연구에서는 전륜 구동의 파워 트레인 구조를 사용하므로 회생제동은 앞 바퀴에서만 작동한다. 따라서 분배된 앞 바퀴 제동력을 회생제동 퍼지 제어기에 의해 Disc braking force(마찰제동)와 Regenerative braking force(회생제동)로 분배된다.
훈련 데이터를 추출하기 위해, NEDC(New European Driving Cycle)에서 μj(0.1,0.3...0.9)을 고정시켜 놓고 에너지 회수율이 높아지는 방향으로 Z, V, SOC의 멤버십 함수를 조정했다. 이후 조정한 멤버십 함수를 기반으로 훈련 데이터를 out.ANFIS을 통해 Fig. 13과 같이 추출했다. 이때 사용한 퍼지 제어기는 MATLAB의 Fuzzy logic toolbox65)을 이용했다.
훈련 데이터는 입력으로 μj, Z, V, SOC와 출력으로 K로 구성된다. 추출한 4,238개의 훈련 데이터 중, 2,738개(약 65 %)는 ANFIS 제어기 학습용으로 사용했고, 나머지 1,500개(약 35 %)는 학습된 모델의 성능 검증을 위한 테스트 데이터로 활용했다.
MATLAB/Simulink의 Fuzzy logic toolbox에 포함된 ANFIS block65)을 이용하여 훈련 데이터를 학습시켰다. Fig. 14에서는 훈련데이터와 학습된 ANFIS의 성능 검증을 나타낸다. 빨간색 직선은 이상적인 1:1 대응을 나타내며, 대부분의 데이터 점들이 이 직선 부근에 밀집되어 분포하고 있다. 이는 제어기의 출력이 실제 목표 값과 거의 일치함을 의미하고, 학습된 ANFIS 제어기가 훈련 데이터의 복잡한 관계를 정확하게 모델링하였음을 보여주는 결과이다.
학습으로 생성된 규칙은 Fig. 15와 같다. 예를 들어, 특정 입력 값(μ=0.3, Z=0.164, V=64.5, SOC=0.5)에 대해 여러 퍼지 규칙들의 활성화 정도와 이에 따른 출력 K=0.786의 계산 과정을 보여준다.
6. 시뮬레이션 방법 및 결과 비교 분석
본 연구에서는 설계한 ANFIS 제어기의 성능을 검증하기 위해, 기존 연구에서 제안된 두 가지 제어기를 재현하고 이들과의 비교 분석한다. 각 제어기의 차량 속도 추종 성능, 모터 토크 응답 그리고 배터리 SOC 관점에서 비교 분석한다.
6.1 기존 연구의 제어기
본 연구에서 제안한 제어기의 비교를 위해 기존 연구에서 제안한 제어기를 재현한다.
Ershad 등53)과 Xu 등54)의 연구를 기반으로 제동 안정성을 고려하면서 최대한의 에너지를 회수하는 방향으로 설계되었다. 전문가의 지식을 바탕으로 작성된 퍼지 규칙 표인 Table 5는 이러한 제어 전략을 반영하고 있으며, Fig. 16은 퍼지 제어기의 입력 및 출력에 대한 멤버십 함수이다.55)
Li 등55)에서는 Fig. 16의 멤버십 함수를 Neural Network을 사용하여 추가로 튜닝했다. 튜닝한 Fuzzy Neural Network (FNN) controller의 입력 및 출력에 대한 멤버십 함수는 Fig. 17과 같다.55)
6.2 시뮬레이션 결과 비교 분석
본 연구에서 제안한 ANFIS 제어기와 선행 연구에서 제안한 퍼지53-55), FNN 제어기55)의 비교를 위해 Federal test procedure 75(FTP-75), New York City Cycle(NYCC), Worldwide harmonized Light vehicles Test Cycle(WLTC), NEDC에서 시뮬레이션 한다. 타이어-노면 마찰계수가 변하는 상황에서 에너지 회수율을 평가하기 위해, 도로표면(Dry, Wet, Snow)을 변경해가며 타이어-노면 마찰계수가 0 ~ 0.9 사이의 값이 나오도록 하여 차량 속도 추종성능, 모터 토크 응답, 배터리 SOC을 비교했다.
3가지의 제어기를 통해 차량이 FTP-75, NYCC, WLTC 그리고 NEDC의 요구 속도를 추종하도록 했다. Fig. 18에서는 차량의 속도와 각각의 Driving cycle의 요구 속도와 비교한 시뮬레이션 결과이다. Fig. 18에서 차량의 속도와 요구 속도(Reference)가 일치하는 것을 확인 할 수 있다. 이는 3개의 제어기가 모든 주행 사이클에서 제동과 가속이 잘 되는 것임을 의미한다.
Fig. 19는 4가지 Driving cycle인 FTP-75, NEDC, NYCC, WLTC에 대해 3가지 제어 전략에 따른 음의 모터 토크의 변화를 비교한 것이다. 전체 주행 시간 동안의 음의 모터 토크는 회생 제동이 작동을 의미한다.
Fig. 19에서 전반적으로 ANFIS control strategy은 FNN와 Fuzzy control strategy보다 더 큰 음의 토크를 안정적으로 출력하는 것을 확인 할 수 있다. 특히 FTP-75와 WLTC 같은 복합 주행 조건과 강한 감속이 있는 구간에서 ANFIS의 제어 전략이 더 높은 음의 토크를 생성하는 것을 확인 할 수 있다. 이는 본 연구에서 설계한 ANFIS control strategy가 회생 제동에 의한 에너지 회수에 더 유리하다는 것을 의미한다.
3장에서 재현한 회생제동 시스템으로 4가지 Driving cycle에서 각 제어 전략을 적용하여 배터리 SOC을 측정했다. Fig. 20에서 제어 전략에 따른 배터리 SOC 변화를 비교한 곡선을 볼 수 있다. 세가지 제어 전략에 따라 배터리 SOC의 변화가 다른 것을 확인할 수 있다. 특히 Driving cycle의 종류와 무관하게 본 연구에서 제안한 ANFIS controller가 에너지 회수 측면에서 가장 좋은 성능을 보여준다.
FTP-75에서 ANFIS control strategy의 배터리 SOC는 90 %에서 87.01 %로 감소하고, FNN control strategy는 86.66 %, Fuzzy control strategy는 85.82 %로 감소한다. NEDC에서는 ANFIS control strategy는 90 %에서 87.58 %로 감소하고, FNN control strategy는 87.15 %, Fuzzy control strategy는 86.58 %로 감소한다. NYCC에서는 ANFIS control strategy는 89.85 %로 감소하고, FNN control strategy는 89.83 %, Fuzzy control strategy는 89.79 %로 감소한다. 마지막으로 WLTC에서는 ANFIS control strategy는 87.57 %로 감소하고, FNN control strategy는 86.71 %, Fuzzy control strategy는 86.05 %로 감소한다.
Table 6은 각 Driving cycle에서 control strategy에 따른 배터리 SOC 변화량을 나타낸다. FTP-75에서 본 연구에서 제안한 전략이 기존 FNN control strategy보다 0.35 % 더 높은 에너지 회수를 보여준다. 이는 NEDC에서는 0.43 %, NYCC는 0.02 % 그리고 WLTC에서는 0.86 % 더 높다. 이는 기존 Fuzzy control strategy와 FNN control strategy을 비교했을 때, FTP-75에서 0.84 %, NEDC에서 0.57 %, NYCC에서 0.4 %, WLTC에서 0.66 %의 에너지 회수 증가가 된 것과 비교하면 유의미한 결과임을 알 수 있다.
7. 결 론
본 연구에서는 ANFIS을 적용하여, 학습된 데이터를 기반으로 제어 규칙과 파라미터를 스스로 조정하고, 타이어-도로 마찰계수, 차량 속도, SOC 그리고 Z에 실시간으로 적응할 수 있는 회생제동 제어기를 설계했다. 시뮬레이션 결과, 기존 선행 연구에서 제안한 FNN 기반 제어기 대비 개선된 에너지 회수 성능을 확인할 수 있었다. 제안한 ANFIS 기반 제어기는 FNN 제어기와 비교하여 FTP-75, NEDC, NYCC 및 WLTC 주행 조건에서 각각 0.35 %, 0.43 %, 0.02 % 그리고 0.86 % 더 향상된 에너지 회수율을 보인다. 이는 NEDC 주행 조건에서 회생제동 시스템이 적용되지 않은 순수 전기 자동차 대비 에너지 회수율이 17.5 %인55) 기존 FNN 제어기보다 0.43 % 높은 회수율을 보임을 의미한다. 따라서 제안한 ANFIS 기반 제어 전략이 회생제동 효율을 향상시키고, 결과적으로 전기 자동차의 주행 가능 거리를 증가시킬 수 있음을 검증했다.
8. 향후 연구 방향
본 연구에서 식 (8)을 이용하여 타이어-노면 마찰계수를 추정했다. 이는 타이어-도로 마찰계수가 도로 표면 상태, 차량 속도 그리고 Slip ratio의 함수이다. 하지만 본 연구에서는 도로 표면 상태를 직접 추정하지 않고 가정하여 시나리오 기반으로 타이어-도로 마찰계수를 추정했다. 실제 차량에서는 관측기(Observer) 기반 EKF/UKF, 머신 러닝 기반 노면 분류 등 다양한 방법을 활용하여 도로 표면 상태를 추정하는 것이 일반적이다. 향후 연구에서는 이러한 방법들을 통합하여 제어 성능을 높이는데 도움이 될 수 있다.
Acknowledgments
본 과제(결과물)는 교육부와 한국연구재단의 재원으로 지원을 받아 수행된 첨단분야 혁신융합대학사업의 연구결과입니다.
References
- International Energy Agency (IEA), Global EV Outlook 2023, https://www.iea.org/reports/global-ev-outlook-2023, , 2023.
-
S. Park and J. Song, “Comparison of Energy Loss in Electric Vehicles According to Battery Capacity Variation Using Simulation,” Transactions of KSAE, Vol.32, No.6, pp.485–492, 2024.
[https://doi.org/10.7467/KSAE.2024.32.6.485]
-
W. R. Black and N. Sato, “From Global Warming to Sustainable Transport 1989–2006,” International Journal of Sustainable Transportation, Vol.1, pp.73–89, 2007.
[https://doi.org/10.1080/15568310601091965]
-
S. Perveen, T. Yigitcanlar, Md. Kamruzzaman and D. Agdas, “How Can Transport Impacts of Urban Growth be Modelled? An Approach to Consider Spatial and Temporal Scales,” Sustainable Cities and Society, Vol.55, No.102031, pp.1–13, 2020.
[https://doi.org/10.1016/j.scs.2020.102031]
-
K. Ç. Bayindir, M. A. Gözüküçük and A. Teke, “A Comprehensive Overview of Hybrid Electric Vehicle: Powertrain Configurations, Powertrain Control Techniques and Electronic Control Units,” Energy Conversion and Management, Vol.52, pp.1305–1313, 2011.
[https://doi.org/10.1016/j.enconman.2010.09.028]
-
B. Wang, M. Xu and L. Yang, “Study on the Economic and Environmental Benefits of Different EV Powertrain Topologies,” Energy Conversion and Management, Vol.86, pp.916–926, 2014.
[https://doi.org/10.1016/j.enconman.2014.05.077]
-
F. Wang and B. Zhuo, “Regenerative Braking Strategy for Hybrid Electric Vehicles based on Regenerative Torque Optimization Control,” Proceedings of the Institution of Mechanical Engineers, Part D: Journal of Automobile Engineering, Vol.222, No.4, pp.499–513, 2008.
[https://doi.org/10.1243/09544070JAUTO654]
-
H. Liu, Y. Lei, Y. Fu and X. Li, “An Optimal Slip Ratio-Based Revised Regenerative Braking Control Strategy of Range-Extended Electric Vehicle,” Energies, Vol.13, No.1526, pp.1–21, 2020.
[https://doi.org/10.3390/en13061526]
-
H. Faghihian, M. Sarkar and A. Sargolzaei, “A Novel Energy-Efficient Regenerative Braking System for Electric Vehicles,” Proceedings of IEEE SoutheastCon 2024, pp.1300–1305, 2024.
[https://doi.org/10.1109/SoutheastCon52093.2024.10500159]
-
S. Bai and C. Liu, “Overview of Energy Harvesting and Emission Reduction Technologies in Hybrid Electric Vehicles,” Renewable and Sustainable Energy Reviews, Vol.147, No.111188, pp.1–17, 2021.
[https://doi.org/10.1016/j.rser.2021.111188]
-
S. R. Cikanek and K. E. Bailey, “Regenerative Braking System for a Hybrid Electric Vehicle,” Proceedings of the 2002 American Control Conference, Vol.4, No.CH37301, pp.3184–3189, 2002.
[https://doi.org/10.1109/ACC.2002.1025270]
-
M. A. Hannan, F. A. Azidin and A. Mohamed, “Multi-Sources Model and Control Algorithm of an Energy Management System for Light Electric Vehicles,” Energy Conversion and Management, Vol.62, pp.123–130, 2012.
[https://doi.org/10.1016/j.enconman.2012.04.001]
-
J. Z. Zhang, X. Chen and P. J. Zhang, “Integrated Control of Braking Energy Regeneration and Pneumatic Anti-Lock Braking,” Proceedings of the Institution of Mechanical Engineers, Part D: Journal of Automobile Engineering, Vol.224, No.5, pp.587–610, 2010.
[https://doi.org/10.1243/09544070JAUTO1307]
-
J. Zhang, C. Lv, J. Gou and D. Kong, “Cooperative Control of Regenerative Braking and Hydraulic Braking of an Electrified Passenger Car,” Proceedings of the Institution of Mechanical Engineers, Part D: Journal of Automobile Engineering, Vol.226, No.10, pp.1289–1302, 2012.
[https://doi.org/10.1177/0954407012441884]
-
X. Zhao, L. Li, X. Wang, M. Mei, C. Liu and J. Song, “Braking Force Decoupling Control Without Pressure Sensor for a Novel Series Regenerative Brake System,” Proceedings of the Institution of Mechanical Engineers, Part D: Journal of Automobile Engineering, Vol.233, No.7, pp.1750–1766, 2018.
[https://doi.org/10.1177/0954407018785740]
-
Z. Zhang, Y. Dong and Y. Han, “Dynamic and Control of Electric Vehicle in Regenerative Braking for Driving Safety and Energy Conservation,” Journal of Vibration Engineering & Technologies, Vol.8, pp.179–197, 2020.
[https://doi.org/10.1007/s42417-019-00098-0]
-
C. F. Kusuma, B. A. Budiman, I. P. Nurprasetio, M. Islameka, A. H. Masyhur, M. Aziz and I. K. Reksowardojo, “Energy Management System of Electric Bus Equipped with Regenerative Braking and Range Extender,” International Journal of Automotive Technology, Vol.22, No.6, pp.1651–1664, 2021.
[https://doi.org/10.1007/s12239-021-0142-z]
-
L. Gang and Y. Zhi, “Energy Saving Control based on Motor Efficiency Map for Electric Vehicles with Four-Wheel Independently Driven In-Wheel Motors,” Advances in Mechanical Engineering, Vol.10, No.8, 2018.
[https://doi.org/10.1177/1687814018793064]
-
J. Zhang, X. Lu, J. Xue and B. Lim, “Regenerative Braking System for Series Hybrid Electric City Bus,” World Electric Vehicle Journal, Vol.2, No.4, pp.363–369,” 2008.
[https://doi.org/10.3390/wevj2040363]
-
H. Yeo and H. Kim, “Hardware-In-the-Loop Simulation of Regenerative Braking for a Hybrid Electric Vehicle,” Proceedings of the Institution of Mechanical Engineers, Part D: Journal of Automobile Engineering, Vol.216, No.11, pp.855–864, 2002.
[https://doi.org/10.1243/095440702321031405]
-
Q. Xu, C. Zhou, H. Huang and X. Zhang, “Research on the Coordinated Control of Regenerative Braking System and ABS in Hybrid Electric Vehicle Based on Composite Structure Motor,” Electronics, Vol.10, No.223, pp.1–19, 2021.
[https://doi.org/10.3390/electronics10030223]
-
C. H. Zheng, Y. I. Park, W. S. Lim and S. W. Cha, “A Study on Battery SOC Estimation by Regenerative Braking in Electric Vehicles,” Transactions of KSAE, Vol.20, No.1, pp.119–123, 2012.
[https://doi.org/10.7467/KSAE.2012.20.1.119]
- H. Mehta and R. Sukhadia, “Regenerative System and Its Application,” International Research Journal of Engineering and Technology (IRJET), Vol.7, No.2, pp.1238–1242, 2020.
-
R. K. Chidambaram, D. Chatterjee, B. Barman, P. P. Das, D. Taler, J. Taler and T. Sobota, “Effect of Regenerative Braking on Battery Life,” Energies, Vol.16, No.14, pp.1–24, 2023.
[https://doi.org/10.3390/en16145303]
-
J. Guo, J. Wang and B. Cao, “Regenerative Braking Strategy for Electric Vehicles,” Proc. of the 2009 IEEE Intelligent Vehicles Symposium, pp.884–868, 2009.
[https://doi.org/10.1109/IVS.2009.5164393]
-
J. Biao, Z. Xiangwen, W. Yangxiong and H. Wenchao, “Regenerative Braking Control Strategy of Electric Vehicles Based on Braking Stability Requirements,” International Journal of Automotive Technology, Vol.22, No.2, pp.465–473, 2021.
[https://doi.org/10.1007/s12239-021-0043-1]
-
J. Ko, S. Ko, H. Son, B. Yoo, J. Cheon and H. Kim, “Development of Brake System and Regenerative Braking Cooperative Control Algorithm for Automatic-Transmission-Based Hybrid Electric Vehicles,” IEEE Transactions on Vehicular Technology, Vol.64, No.2, pp.431–440, 2015.
[https://doi.org/10.1109/TVT.2014.2325056]
- T. Wu, F. Wang and P. Ye, “Regenerative Braking Strategy of Dual-Motor EV Considering Energy Recovery and Brake Stability,” International Journal of Automotive Technology, Vol.22, No.2, pp.465–473, 2021.
-
G. Xu, W. Li, K. Xu and Z. Song, “An Intelligent Regenerative Braking Strategy for Electric Vehicles,” Energies, Vol.4, No.9, pp.1461–1477, 2011.
[https://doi.org/10.3390/en4091461]
-
A. P. Budijono, I. N. Sutantra and A. S. Pramono, “Friction Losses During Slip Conditions in Regenerative Braking of Electric Vehicles,” Journal of Mechanical Engineering and Sciences, Vol.16, No.1, pp.96–107, 2022.
[https://doi.org/10.24191/jmeche.v11i1.23591]
-
M. N. Khan and M. M. Ahmed, “Weather and Surface Condition Detection Based on Road-Side Webcams: Application of Pre-Trained Convolutional Neural Network,” International Journal of Transportation Science and Technology, Vol.11, pp.468–483, 2022.
[https://doi.org/10.1016/j.ijtst.2021.06.003]
-
Y. Gao, L. Chen and M. Ehsani, “Investigation of the Effectiveness of Regenerative Braking for EV and HEV,” SAE 1999-01-2910, 1999.
[https://doi.org/10.4271/1999-01-2910]
-
S. Li, B. Yu and X. Feng, “Research on Braking Energy Recovery Strategy of Electric Vehicle Based on ECE Regulation and I Curve,” Science Progress, Vol.103, No.1, Paper No.0036850419877762, 2020.
[https://doi.org/10.1177/0036850419877762]
-
J. Nadeau, P. Micheau and M. Boisvert, “Collaborative Control of a Dual Electro-Hydraulic Regenerative Brake System for a Rear-Wheel-Drive Electric Vehicle,” Proceedings of the Institution of Mechanical Engineers, Part D: Journal of Automobile Engineering, Vol.233, No.4, pp.1035–1046, 2019.
[https://doi.org/10.1177/0954407018754678]
-
C. Geng, D. Ning, L. Guo, Q. Xue and S. Mei, “Simulation Research on Regenerative Braking Control Strategy of Hybrid Electric Vehicle,” Energies, Vol.14, No.8, 2021.
[https://doi.org/10.3390/en14082202]
-
C. C. Chan, “The State of the Art of Electric and Hybrid Vehicles,” Proceedings of the IEEE, Vol.90, No.2, pp.247–275, 2002.
[https://doi.org/10.1109/5.989873]
-
G. Park, S. Lee, S. Jin and S. Kwak, “Integrated Modeling and Analysis of Dynamics for Electric Vehicle Powertrains,” Expert Systems with Applications, Vol.41, No.5, pp.2595–2607, 2014.
[https://doi.org/10.1016/j.eswa.2013.10.007]
-
M. Ziadia, S. Kelouwani, A. Amamou and K. Agbossou, “An Adaptive Regenerative Braking Strategy Design Based on Naturalistic Regeneration Performance for Intelligent Vehicles,” IEEE Access, Vol.11, pp.99573–99588, 2023.
[https://doi.org/10.1109/ACCESS.2023.3313553]
-
C. Li, L. Zhang, S. Lian and M. Liu, “Research on Regenerative Braking Control of Electric Vehicles Based on Game Theory Optimization,” Science Progress, Vol.107, No.2, 2024.
[https://doi.org/10.1177/00368504241247404]
- H. Yeo, H. S. Kim and S. H. Hwang, “Development of Energy Regeneration Algorithm Using Electro-Hydraulic Braking Module for Hybrid Electric Vehicles,” Transactions of The Korea Fluid Power Systems Society, Vol.5, No.4, pp.1–9, 2008.
-
T. K. Bera, K. Bhattacharya and A. K. Samantaray, “Evaluation of Antilock Braking System With An Integrated Model of Full Vehicle System Dynamics,” Simulation Modelling Practice and Theory, Vol.19, No.10, pp.2131–2150, 2011.
[https://doi.org/10.1016/j.simpat.2011.07.002]
-
S. Li and Y. C. Liu, “The Disc Brake Design and Performance Analysis,” Proc. of the 2011 International Conference on Consumer Electronics, Communications and Networks, pp.846–849, 2011.
[https://doi.org/10.1109/CECNET.2011.5768733]
- E. G. Son and H. J. Jang, “Regenerative Braking System Analysis and Modeling for Research on Ride Quality of Electric Vehicles,” Proc. of the 2023 KIEE Summer Conference, pp.132–133, 2023.
-
V. Totev and V. Gueorgiev, “Efficiency of Regenerative Braking in Electric Vehicles,” Proc. of Electrical Apparatus & Technologies (SIELA), IEEE, pp.1–4, 2020.
[https://doi.org/10.1109/SIELA49118.2020.9167153]
-
J. Chen, Y. Zhou, Q. Shi and X. Zhang, “Adaptive Fuzzy Logic Control of Fuel-Cell–Battery Hybrid Systems for Electric Vehicles,” IEEE Transactions on Industrial Informatics, Vol.14, No.1, pp.292–300, 2016.
[https://doi.org/10.1109/TII.2016.2618886]
-
N. T. Anh, C. K. Chen and X. Liu, “An Efficient Regenerative Braking System for Electric Vehicles Based on a Fuzzy Control Strategy,” Vehicles, Vol.6, No.3, pp.1496–1512, 2024.
[https://doi.org/10.3390/vehicles6030071]
-
U. Gupta, D. K. Yadav and D. Panchauli, “Field Oriented Control of PMSM During Regenerative Braking,” Proc. of the 2019 Global Conference for Advancement in Technology, IEEE, pp.1–5, 2019.
[https://doi.org/10.1109/GCAT47503.2019.8978361]
-
V. Totev and V. Gueorgiev, “Modelling of Regenerative Braking,” Proc. of the 2021 17th Conference on Electrical Machines, Drives and Power Systems (ELMA), IEEE, pp.1–6, 2021.
[https://doi.org/10.1109/ELMA52514.2021.9502983]
- The MathWorks, Inc., Specialized Power Systems – MATLAB & Simulink, https://www.mathworks.com/help/physmod/sps/specialized-power-systems.html?_tid=CRUX_lftnav, , 2019.
-
M. Sreejeth and M. Singh, “Performance Analysis of PMSM Drive Using Hysteresis Current Controller and PWM Current Controller,” Proc. of the 2018 IEEE International Students’ Conference on Electrical, Electronics and Computer Science (SCEECS), pp.1–5, 2018.
[https://doi.org/10.1109/SCEECS.2018.8546862]
-
A. Nachiappan, K. Sundararajan and V. Malarselvam, “Current Controlled Voltage Source Inverter Using Hysteresis Controller and PI Controller,” Proc. of the 2012 International Conference on Power, Signals, Controls and Computation, IEEE, pp.1–6, 2012.
[https://doi.org/10.1109/EPSCICON.2012.6175247]
-
K. Itani, A. De Bernardinis, Z. Khatir and A. Jammal, “Comparison Between Two Braking Control Methods Integrating Energy Recovery for a Two-Wheel Front Driven Electric Vehicle,” Energy Conversion and Management, Vol.122, pp.330–343, 2016.
[https://doi.org/10.1016/j.enconman.2016.05.094]
-
N. F. Ershad, R. T. Mehrjardi and M. Ehsani, “High-Performance 4WD Electric Powertrain With Flywheel Kinetic Energy Recovery,” IEEE Transactions on Power Electronics, Vol.36, No.1, pp.772–784, 2020.
[https://doi.org/10.1109/TPEL.2020.3004866]
-
Q. Xu, F. Wang, X. Zhang and S. Cui, “Research on the Efficiency Optimization Control of the Regenerative Braking System of Hybrid Electrical Vehicle Based on Electrical Variable Transmission,” IEEE Access, Vol.7, pp.116823–116834, 2019.
[https://doi.org/10.1109/ACCESS.2019.2936370]
-
W. Li, H. Xu, X. Liu, Y. Wang, Y. Zhu, X. Lin, Z. Wang and Y. Zhang, “Regenerative Braking Control Strategy for Pure Electric Vehicles Based on Fuzzy Neural Network,” Ain Shams Engineering Journal, Vol.15, No.2, pp.1–10, 2024.
[https://doi.org/10.1016/j.asej.2023.102430]
-
S. Çeven, A. Albayrak and R. Bayır, “Real-Time Range Estimation in Electric Vehicles Using Fuzzy Logic Classifier,” Computers & Electrical Engineering, Vol.83, Paper No.106577, 2020.
[https://doi.org/10.1016/j.compeleceng.2020.106577]
-
J.-S. R. Jang, “ANFIS: Adaptive-Network-Based Fuzzy Inference System,” IEEE Transactions on Systems, Man, and Cybernetics, Vol.23, No.3, pp.665–685, 1993.
[https://doi.org/10.1109/21.256541]
-
N. Walia, H. Singh and A. Sharma, “ANFIS: Adaptive Neuro-Fuzzy Inference System – A survey,” International Journal of Computer Applications, Vol.123, No.13, pp.32–38, 2015.
[https://doi.org/10.5120/ijca2015905635]
- T. S. K. M. M. Hassan, “Adaptive Neuro Fuzzy Inference System (ANFIS) for Fault Classification in the Transmission Lines,” Online Journal on Electronics and Electrical Engineering, Vol.2, No.1, pp.164–169, 2010.
- The MathWorks, Inc., Fuzzy Logic Toolbox™ User’s Guide, https://www.mathworks.com/products/fuzzy-logic.html, , 2024.



















