
BMS Cell Balancing Count를 이용한 배터리 시스템 내 이상 셀 감지 방법 연구
Copyright Ⓒ 2025 KSAE / 237-07
This is an Open-Access article distributed under the terms of the Creative Commons Attribution Non-Commercial License(http://creativecommons.org/licenses/by-nc/3.0) which permits unrestricted non-commercial use, distribution, and reproduction in any medium provided the original work is properly cited.
Abstract
The increasing use of renewable energy has elevated the importance of energy storage systems(ESS). Although ESSs based on lithium-ion batteries are used in various fields due to their high energy density and versatility, there are still issues such as performance degradation and internal short circuits due to battery aging. In particular, voltage deviation between battery cells can serve as a key indicator for detecting aging cells. In this study, we proposed a method for detecting faulty cells in a battery pack by utilizing cell balancing counts from the battery management system(BMS). To this end, we initially investigated the method using Matlab/Simulink-based simulations and conducted experimental validation based on the simulation results. The findings revealed that aged cells exhibit more frequent balancing counts, highlighting the potential to more accurately assess the health of individual cells in a battery pack.
Keywords:
Lithium-ion battery, Battery management system, Passive balancing, Faulty cell detection, Charging process키워드:
리튬이온 배터리, 배터리 관리 시스템, 수동형 balancing, 이상 셀 감지, 충전 과정1. 서 론
지속 가능한 에너지 시스템으로의 전환이 전 세계적으로 가속화되면서, 신재생 에너지의 활용이 급격히 증가하고 있다. 이러한 변화의 중심에는 에너지 저장 시스템(Energy Storage System, ESS)이 있으며, 특히 리튬 이온 배터리 기반의 ESS가 주목받고 있다. ESS를 구성하는 리튬 이온 배터리 리튬 이온 배터리는 높은 에너지 밀도와 긴 수명을 바탕으로 ESS의 핵심 구성 요소로 자리잡고 있다.1) 그러나 이러한 장점에도 불구하고, 리튬 이온 배터리는 여전히 해결해야 할 다양한 기술적 과제를 안고 있다. 배터리 내부의 복잡한 전기화학적 반응으로 인한 비선형적 거동, 시간에 따른 성능 저하, 그리고 안전성 문제 등이 주요한 과제로 남아있다.2,3) 특히, 배터리의 노화 과정에서 발생하는 전압 편차는 심각한 안전 문제를 야기할 수 있다. 과충전이나 과방전 상태에서의 사용은 내부 단락을 일으킬 수 있으며, 이는 화재로 이어질 수 있는 위험성을 내포하고 있다. 또한, 고체 전해질 계면(Solid Electrolyte Interphase, SEI)의 성장은 배터리의 내부 저항을 증가시키고, 용량을 감소시키는 주요 원인이 된다.4,5)
전기자동차 산업의 급성장은 리튬 이온 배터리의 안전성 문제를 더욱 부각시키고 있다. 특히, 리튬 이온 배터리의 열폭주(Thermal runaway)는 전기자동차 화재의 주요 원인으로, ESS에서와 마찬가지로 안전성을 확보하기 위한 핵심 과제로 떠오르고 있다. 열폭주는 외부 발열, 방화, 전기적 남용, 충전 중 과부하, 또는 교통사고로 인한 고속 충돌 등 다양한 원인으로 발생할 수 있으며, 이러한 상황에서 내부 단락과 자체 발열은 화재로 이어질 위험이 있다.6,7) 현재 연구는 주로 Cell 간 열전달 차단 패드(Cell-to-cell pad) 개발, 배터리 팩 엔드 플레이트 설계, 열폭주 전이 방지 기술 등에 집중되어 있으며, 이러한 연구는 열폭주 발생 이후 전파를 최소화하는 데 중점을 두고 있다.8,9) 열폭주의 근본적인 원인이 배터리 시스템 내부에서 기인하는 만큼, 이를 사전에 감지할 수 있는 기술적 접근법에 대한 연구가 요구된다.
배터리 관리 시스템(Battery Management System, BMS)은 리튬이온 배터리의 건강 상태 지표를 실시간으로 모니터링하고 추정하는 중요한 역할을 한다. 특히, 배터리의 상태 추정(State of Charge, SOC), 건강 상태(State of Health, SOH), 작동 상태(State of Power, SOP)에 대한 연구가 활발히 진행되고 있으며, 이러한 추정 값들은 주로 배터리에서 측정되는 전압과 전류 데이터를 기반으로 한다.10-12) 이를 통해 배터리의 노화 및 이상 상태를 추적하고, 머신러닝 및 신경망을 활용하여 배터리의 잔여 수명(Remaining Useful Life, RUL)을 예측하는 모델들이 개발되고 있다.13,14) 그러나 기존의 데이터 기반 예측 알고리즘은 학습 데이터의 품질과 정밀도에 따라 예측 정확도가 달라지며, 이는 배터리 상태를 정밀하게 진단하는 데 한계로 작용하고 있다. 특히, 배터리 팩 내 개별 Cell의 특성과 노화 상태를 정밀하게 파악하지 못해, 단일 Cell의 결함이 전체 배터리 팩의 열폭주로 이어질 위험이 있다.
따라서 기존의 SOC 및 SOH 추정 기법들은 배터리의 노화 정도를 추정할 수 있지만, 개별 셀의 결함이나 이상을 조기에 감지하는 데에는 한계가 있다. 이러한 방법 이외에도 EIS(Electrochemical Impedance Spectroscopy)기반의 내부저항 관측을 통해서도 배터리의 노화도를 관측할 수 있지만, 측정 환경에 매우 민감하며, 셀 레벨이 아닌 모듈이나 팩 단위에서 진단할 경우 고가의 장비를 사용해야 한다는 단점이 있으며, 차량이나 배터리 시스템에 적용하여 실시간 및 온라인 진단에는 부적합 하다는 단점이 있다.15-17) 이에 대한 해결책으로 최근 연구들은 배터리 셀 간의 비선형적 상호작용을 분석하거나, Cell balancing 기술을 활용하여 이상 셀을 감지하는 방법을 모색하고 있다.18) Cell balancing은 배터리 효율성을 증대시키고, 셀 간 불균형을 개선하는 중요한 기술로, 이를 통해 배터리 수명을 연장하고 안정성을 높일 수 있다. 특히, Cell balancing count를 활용하여 배터리 팩 내 이상 셀을 조기에 탐지하고, 열폭주를 예방할 수 있는 가능성이 주목받고 있다.11)
본 논문은 기존 BMS에서 활용되는 Cell balancing 기술을 단순히 적용하는 것을 넘어서, 배터리 충전 과정에서 발생하는 Balancing count의 증가 패턴을 분석하여 노화 셀을 감지하는 새로운 접근법을 제시한다. 본 연구는 Passive balancing 시스템에서 수집되는 데이터를 기반으로, 추가적인 센서나 복잡한 계산 없이도 배터리의 노화 셀을 효과적으로 식별할 수 있음을 입증하였다. 특히 본 연구에서는 제안된 방법론을 실제 BMS에 적용하여 검증하였다. 이를 위해 실제 Passive balancing 회로를 설계하고, 실험을 통해 제안된 진단 방법의 유효성을 입증하였다. 이 과정에서, 배터리 충전 데이터를 실시간으로 수집 및 분석하여, Balancing count 증가 패턴을 기반으로 노화 셀을 감지하는 방법의 실제 환경에서의 동작 원리를 검토하였다. 본 연구는 기존의 BMS 시스템과의 호환성이 높으며, 실제 산업 현장에서의 적용 가능성을 확인하는 데 중요한 의미를 가진다. Cell balancing count를 활용한 배터리 진단 방법은 기존 알고리즘보다 더 신뢰성 있는 진단을 제공하며, 실용성과 단순성을 겸비한 새로운 배터리 관리 방법으로서 중요한 기여를 할 수 있을 것이다.
논문의 구성은 다음과 같다. 2장과 3장에서는 BMS의 기본적인 정보와 Cell balancing에 대한 기초를 기술하고, 제안된 BMS와 Balancing count 시스템의 구조와 작동 원리를 상세히 기술한다. 4장에서는 시뮬레이션의 결과와 실험 설계와 결과를 제시한다.
2. 본 론
2.1 Battery Management System(BMS)
BMS는 배터리 팩의 전압, 전류, 온도 등을 모니터링하며, 배터리 시스템의 안정적이고 효율적인 운용을 관리하는 시스템이다. 특히 BMS는 충·방전 시 배터리 셀의 과충전 및 과방전을 방지하고 배터리 셀과 셀 사이 전압을 균등하게 Balancing 해 줌으로써 셀을 효율적으로 운용하고 보호해주는 역할을 한다. Fig. 1은 BMS에 대한 개념도를 보여준다. 그림에서 보이는 것처럼 BMS의 주된 역할은 직접적으로 취득된 데이터를 통해 배터리 시스템의 작동과 전압, 전류 및 온도에 대한 허용 가능한 작동 한계 수준을 보장하여 안전한 운용을 보장하게 하는 역할을 한다.
2.2 Cell Balancing Modeling
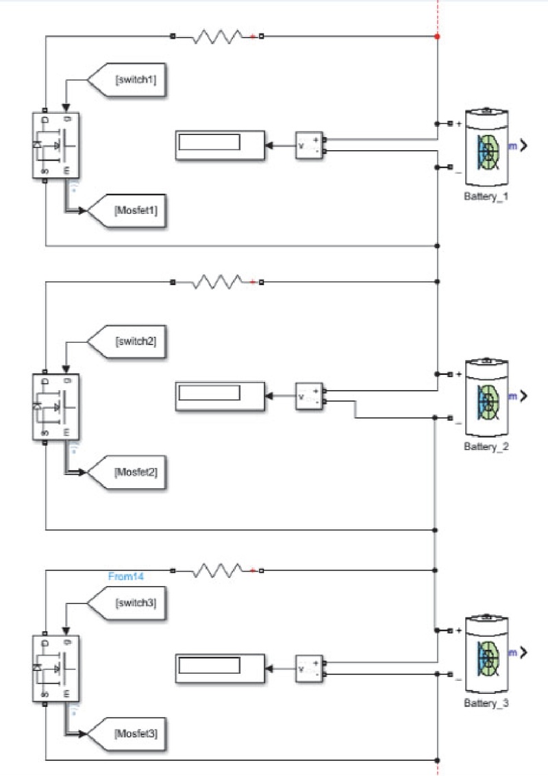
배터리 셀의 수명과 성능 범위에 대해 보장하기 위해 Cell balancing을 하여 셀의 불균형 충전 또는 방전을 예방하기 위해 Balancing을 진행한다. BMS의 주요 Balancing 방법 중 하나인 Passive balancing은 제어부에서 배터리 셀의 전압을 모니터링하고 전압 불균형 상태를 감지한다. 불균형이 감지되면, 가장 높은 전압을 가진 배터리 셀의 과도한 에너지를 방전으로 전압을 조정하는 방식이다. 이는 스위치나 MOSFET을 사용하여 높은 전압의 셀에서 저항을 통해 에너지를 제거하는 원리로 작동하며, 이 방식은 방전 과정에서 열이 발생하고, 에너지 손실이 발생한다는 단점이 있다.18,19)
본 연구에서는 Constant Current-Constant Voltage(CC-CV) 충전 방식을 적용하여 배터리 셀의 충전 및 균형을 제어한다. CC-CV 방식은 충전 초기 단계에서 일정한 전류(Constant Current, CC)를 공급하고, 배터리 셀의 전압이 설정된 임계값에 도달하면 일정한 전압(Constant Voltage, CV)을 유지하면서 전류를 점차적으로 감소시킨다. 이 방식은 과충전을 방지하고 배터리 수명을 연장하는 데 중요한 역할을 하며, 셀 간의 전압 불균형을 예방한다. 연구에서 사용된 Shunting resistor 방식의 Passive balancing BMS는 과충전된 셀에서 발생한 불균형을 감지하여, MOSFET을 통해 저항과 연결하여 충전 에너지를 열에너지로 변환하여 방전시킨다. 이를 통해 셀 간의 전압 균형을 유지하고, 전체 시스템의 안정성을 확보할 수 있다. Fig. 2와 Fig. 3은 배터리 모델을 나타내었으며, 모델 셀 전압의 차이에 따라 Balancing 전류를 계산하고, 이를 바탕으로 각 셀의 전압 변화를 감지한다. 모델에 대한 수학적 모델링은 셀 충전 및 방전 시 전압 변화를 선형 근사식 (1), (2)에 정의하였다.
식 (1)은 셀 충전에 따른 전압 변화를 이상적인 커패시터 모델에 기반하여 선형적으로 근사한 식으로, Vcelli(t)는 시간 t에서의 i번째 셀 전압, Vcelli(0)는 초기 전압, Ic는 인가된 충전 전류, Ci는 셀을 커패시터로 모델링했을 때의 커패시턴스(Capacitance)를 각각 의미한다. 본 식은 일정 전류 조건 하에서 전압이 커패시턴스에 반비례하여 시간에 따라 선형적으로 증가함을 설명하며, 셀 간 전압 수렴 특성을 분석하는 데 유용한 근사식으로 활용된다. 식 (2)은 패시브 Balancing 회로에 따른 전압 감소를 나타내며, 여기서 IR은 Balancing 저항 Rbalancing을 통해 흐르는 셀 방전 전류이다. 옴의 법칙에 따라 셀 전압에 비례하므로, 셀 전압이 높을수록 더 큰 전류가 흐르고, 전압은 보다 빠르게 감소하게 된다. 이러한 원리를 기반으로 Balancing 회로는 상대적으로 전압이 높은 셀을 우선적으로 방전하여 전압 균형을 맞추도록 설계하였다. Balancing 제어 조건은 셀 간 전압 차이가 일정 임계 값 이상 때, Balancing이 수행되도록 설정하였다. 다만, 본 모델은 SOC 및 온도 변화에 따른 전압의 비선형 특성 및 셀 내부 저항의 시간·온도 의존적 변화를 포함하지 않으므로, 실제 시스템의 물리적 거동을 정밀하게 재현하는 데에는 한계가 있다. 본 연구는 정밀 예측보다는 패시브 셀 밸런싱 회로에서의 전압 수렴 경향 및 상대적 거동 특성의 해석에 중점을 두고 있으며, 제안된 모델은 이러한 목적에 충분한 정밀도를 제공한다.
본 연구에서는 식 (3)과 같이, 모듈 내 가장 높은 전압을 갖는 셀 Vmax과 가장 낮은 전압을 갖는 셀 Vmin의 차이가 0.02 V 이상일 경우에 Balancing이 활성화되도록 하였다. 이와 같은 임계 값 설정은 일반적인 BMS 전압 측정 회로의 해상도는 수 mV 수준으로, 전압 차이가 0.01 V 이하일 경우 측정 오차로 인해 실제 불균형 여부를 명확히 판단하기 어려운 한계가 있다. 따라서 이러한 오차 범위를 충분히 고려한 여유 값을 설정함으로써, 불필요한 Balancing 오동작을 방지할 수 있다.20) 또한, 리튬이온 셀의 특성상 셀 간 전압 차이가 0.01 V 이상이면 SOC 불균형이 누적되어 특정 셀의 과충전 또는 과방전으로 이어질 수 있으며, 이는 배터리 수명 저하 및 안전성 문제로 직결된다.21,22) Balancing 동작 조건을 0.02 V로 설정하는 것은 이러한 위험을 사전에 제어할 수 있는 실효적이 기준으로 작용하기 위해 설정하였다.
| (1) |
| (2) |
| (3) |
Active balancing은 passive balancing의 단점을 보완하기 위해 고안된 방법으로 저항을 통해 에너지를 방전하기 보다 높은 에너지를 가진 셀의 에너지를 변환하여 다른 셀에 공급하는 방식으로, 주로 커패시터, 인덕터, 다중 권선 변압기를 사용하여 에너지를 전달하게 되며, BMS가 배터리 셀 간의 전압 불균형을 감지하면, 높은 전압의 셀에서 낮은 전압의 셀로 에너지를 전달하여 전압을 균등하게 맞추는 방식이다.19,23) 본 연구에서는 스위치 커패시터를 이용한 Active balancing BMS를 구성하였다. 스위치 커패시터를 이용한 Active balancing의 경우 전하 보존 법칙을 기반으로 셀 간 에너지를 효율적으로 전달하여 전압 균등화를 이루는 방식으로 Cell balancing을 수행한다. 식 (4)에 Active balancing에 대한 이론적 수식을 정리하였다. 이 방식은 에너지를 재분배하여 충·방전 과정에서 에너지 효율을 향상시킨다. Fig. 4 Active balancing의 회로도로 Passive balancing 모델에서 사용되던 Resistor-MOSFET 방식을 능동형 방식의 Switched capacitor로 변경하여 적용한 그림이다.
| (4) |
2.3 Cell Balancing Count 알고리즘
본 논문에서는 노화된 배터리 셀을 효과적으로 감지하기 위한 Cell balancing count 기반 알고리즘을 제안하였으며, 이에 대한 전체적인 구조를 Fig. 5와 Fig. 6에 제시하였다. Fig. 5는 Passive balancing방식에 대한 알고리즘을 나타내었으며, Fig. 6은 Active balancing에 대한 알고리즘을 나타내었다.
제안하는 Cell balancing count 알고리즘은 CC-CV 충전 과정에서 각 셀의 전압을 실시간으로 모니터링한다. 이때 특정 셀의 전압이 4.2 V 이상으로 상승하여 과충전 상태가 감지되거나, 셀간 전압 불균형이 일정 임계 값 이상으로 발생하는 경우 BMS는 해당 셀에 대해 Balancing 회로를 동작 시킨다. 이때 Balancing 동작이 수행될 때마다 해당 셀의 Balancing count값을 1씩 증가시키며, 이를 통해 각 셀 별로 Balancing이 수행된 누적 횟수를 기록하게 된다.
2.4 Simulation Setup
시뮬레이션에서는 3S1P 모듈의 초기 파라미터를 Table 1과 같이 설정하였으며, 배터리의 공칭 전압은 3.7 V, 최대 용량은 2.6 Ah로 가정하였다. Table 2는 충·방전 사이클에 따른 커패시턴스와 내부 저항의 변화를 정리한 것으로, 사이클이 진행됨에 따라 배터리 셀의 용량은 감소하고 내부 저항은 증가하는 경향을 나타낸다. 시뮬레이션은 새 배터리 셀과 충전 및 방전 사이클을 거친 셀 간의 성능 차이를 평가하기 위해 설계되었으며, 160 사이클마다 용량은 2.5 % 감소하고 내부 저항은 1.5 % 증가한다는 조건을 반영하였다. 직렬 연결된 3개의 배터리 셀 구성은 분석의 단순화를 위해 채택되었다.
3. 시뮬레이션 결과
본 연구의 목적은 MATLAB/Simulink를 이용하여 모델링한 Passive balancing과 Active balancing 과정의 특성과 성능 데이터를 분석하는 것이다. 이 분석을 통해 Balancing count를 기반으로 노화된 배터리 셀을 식별하고자 한다.
3.1 Passive Balancing 모델 결과
충전 과정에서 서로 다른 전압을 가진 3S1P 배터리 모듈에 대해 Passive balancing을 수행하였다. Fig. 7에서 확인할 수 있듯이, Cell 3의 전압이 먼저 4.2 V에 도달하여 Cell balancing 과정이 시작된다. Table 3에서 확인할 수 있듯이, 높은 전압을 가진 노화된 Cell 3 배터리 셀에서 Passive balancing count가 높게 나타났다. 이는 해당 셀의 과도한 에너지가 빈번하게 방전되었음을 의미한다.
3.2 Active Balancing 모델 결과
Active balancing 시뮬레이션은 Table 2의 Cell 1, 2, 3을 사용하여 진행되었다. 이 시뮬레이션에서는 충전과 방전 과정에서 각각 Balancing이 수행되었다.
충전 과정 중 Balancing 시뮬레이션을 수행한 결과, Fig. 8에서 볼 수 있듯이 노화된 배터리 셀의 전압이 급격히 증가하였다. Table 4는 Balancing count 모니터를 통해 측정된 충전 과정 중 Active balancing count를 요약한 것이다. 각 셀의 값은 에너지 전달 방향에 따라 부호를 가지며, 양수(+)는 해당 셀이 높은 전압을 가진 상태로 다른 전압이 낮은 셀로 에너지를 전달한 횟수를 의미하고, 음수(-)는 반대로 에너지를 전달받은 횟수를 나타낸다. 예를 들어, 열화되어 과충전된 배터리 셀은 상대적으로 전압이 높아 에너지를 다른 셀로 전달하며, 이 경우 Balancing count는 양수로 기록된다. 반면, 전압이 낮아 에너지를 전달받는 셀은 음수로 표시되며, 이는 에너지 전달의 방향성과 Balancing 흐름을 동시에 반영한다.
방전 과정에서의 Active balancing 시뮬레이션 결과, 충전 과정과는 반대로 노화도가 높은 배터리 셀의 전압이 급격히 감소하며, 노화도가 낮은 배터리 셀의 에너지가 노화도가 높은 배터리 셀로 전달되는 것을 Fig. 9에서 확인할 수 있다. Table 5의 방전 과정 중 Active balancing count 모니터 결과에 따르면 노화도가 낮은 배터리 셀에서는 양의 Balancing count가, 노화도가 높은 배터리 셀에서는 음의 Balancing count가 나타났다. 즉, 충전 과정에서는 열화된 셀이 더 빠르게 전압 상승을 보이지만, 방전 과정에서는 건강한 셀에서 열화된 셀로 에너지가 이동하며 시스템 전체의 SOC 균형을 맞추는 역할을 수행하게 된다.
3.3 시뮬레이션 결과
본 연구는 배터리의 안전성과 잔존 가치를 평가하기 위해 MATLAB/Simulink 기반으로 passive balancing BMS와 Active balancing BMS를 구축하고 시뮬레이션을 진행하였다. 충전 및 방전 과정에서 노화된 배터리 셀을 감지하기 위한 Balancing count 알고리즘을 BMS에 적용하여, 배터리 팩 내 노화된 배터리 셀을 Count 모니터로 확인하였다. 시뮬레이션을 통해 충전 및 방전 과정에서의 Balancing 특성과 성능을 분석한 결과, 노화된 배터리 셀을 효과적으로 감지할 수 있었다. Passive balancing의 경우, 충전 과정에서 노화된 배터리 셀이 Count 모니터에서 높은 횟수를 보였고, Active balancing에서는 충전 과정에서 음수, 방전 과정에서 양수로 나타나는 것을 확인하였다. 이는 노화된 배터리 셀이 낮은 용량을 가지며 충전 및 방전이 더 빠르게 진행되기 때문이다.
특히, Active balancing 충전 과정에서 음수, 방전 과정에서 양수로 Balancing count가 기록된 현상은 셀 간 에너지 이동의 방향성에 따른 전류의 흐름을 반영한 것이다. Active balancing 회로는 일반적으로 인덕터 또는 커패시터를 이용하여 잉여 전하를 가진 셀에서 상대적으로 전하가 부족한 셀로 에너지를 전달하는 구조로 이루어져 있다. 이 과정에서 전류가 셀로부터 빠져나갈 경우를 음수, 전류가 셀로 유입될 경우를 양수로 정의한 것이다. 즉, 충전 중에는 SOC가 빠르게 상승하는 노화된 셀이 목표 전압에 먼저 도달하면서, 이 셀로부터 전류가 외부 회로를 통해 다른 셀로 전달되므로 음의 방향 전류가 발생한다. 반면 방전 중에는 용량이 낮은 노화 셀의 전압이 다른 셀보다 더 빨리 하락하고, 이를 보정하기 위해 다른 셀의 에너지가 해당 셀로 유입되므로 양의 방향 전류가 흐르게 되는 것이다. 이러한 전류의 방향성과 크기를 Count로 표현함으로써, 셀 간 상대적 전하 이동의 양상을 정량적으로 파악할 수 있으며, 이는 곧 노화된 셀의 식별에 유의미한 정보를 제공한다.
본 연구는 Passive balancing 및 Active balancing 기술에 대한 연구보다는 Cell balance count를 통해 노화된 셀의 특징을 감지할 수 있는지 여부에 초점을 두었다. 이를 통해 배터리 팩의 상태를 추정하는 진단 기술과 결합하여, 전체 배터리 팩 뿐만 아니라 개별 배터리 셀의 상태도 추정 및 감지할 수 있게 된다. 시뮬레이션 결과, Passive balancing 및 Active balancing 모두에서 Balancing count를 통해 노화된 셀의 특징이 잘 반영된 것으로 확인되었다.
4. BMS 알고리즘의 실험적 검증
시뮬레이션 결과를 바탕으로 실제 BMS를 설계하여 앞서 제안한 알고리즘의 유효성을 검증하고자 하였다. 그러나 Active balancing BMS는 설계의 복잡성과 여러 제한 요소로 인해 실제 구현에 어려움이 있었다. 이에 본 연구에서는 Passive balancing을 수행하는 BMS를 제작하여 알고리즘 검증을 진행하였다. 검증은 시뮬레이션과 동일하게 3S1P의 배터리 모듈을 제작하여 진행하였으며, 과충전 및 과방전 전압 보호와 Passive balancing 기능이 포함된 BMS를 사용하여 수행되었다. Passive balancing은 BMS 컨트롤러가 SOC가 가장 낮은 셀의 전압을 기준으로 설정하고, 스위칭 제어를 통해 가장 높은 셀의 전압을 낮추는 방식으로 셀 간 전압을 균등화 시킨다. 실험에 사용된 배터리 셀은 Samsung ICR 18650-26F 셀이며, Balancing을 통한 전류 및 Count, 전압 데이터는 Ni DAQ를 이용해 취득하였다. Fig. 10은 실험적 검증을 위해 구성한 전체 시스템을 나타내며, Table 6과 Table 7은 각각 실험에 사용된 배터리 셀과 BMS의 사양을 정리하였다. 검증에 사용된 배터리 모듈은 3S1P로 구성되어 있으며 3개의 셀이 직렬로 연결된 구성으로, 그 사양은 Table 8에 제시되어 있다. 본 연구에서는 서로 다른 노화 상태를 가진 3개의 배터리 모듈을 실험 대상으로 사용하였다. 각각의 배터리 팩은 서로 다른 수준의 노화가 진행된 셀들로 구성되었으며, 배터리 팩의 구성은 Table 8에 나타나 있다.
실험은 25 oC의 실온에서 진행되었다. BMS가 연결된 배터리 모듈은 전원을 통해 충전되었으며, 배터리 시스템의 잔여 값 평가에 필요한 파라미터는 BMS에서 측정 후 PC로 전송되었다. 충전 중 노화된 셀을 감지하는 알고리즘은 Fig. 5에 제시된 절차를 따랐다. 각 배터리 모듈 충전 시작 전에는 화학적 안정성을 위해 1시간 동안 휴식 시간을 부여했으며, 이후 CC-CV 방식으로 충전 후 다시 1시간의 휴식 시간을 부여하였다. 충전 전류 프로파일은 시뮬레이션 검증을 위해 Fig. 5에서 정리한 Passive balancing 알고리즘과 동일하게 설정하였다. 배터리 모듈의 노화된 셀 정보를 분석하기 위해 Table 8의 파라미터를 선택하여 불균형 판단 기준으로 설정하였다. 셀 간 최대 전압 편차, Balancing 수행 횟수, 카운터 기울기(Counter slope), 충전 시간을 측정하여 노화 정도를 평가하였다. 특히, Balancing count의 누적 값뿐만 아니라 시간에 따른 Count의 변화율인 Counter slope를 함께 분석함으로써 셀 노화 특성을 보다 정량적으로 평가하였다. Counter slope는 특정 구간에서의 Balancing count가 얼마나 빠르게 증가하거나 감소하는지를 나타내며, 이는 셀의 상대적인 SOC 불균형이 얼마나 지속적으로 발생하는지를 시사한다. 일반적으로 노화된 셀은 충전 및 방전 시 전압이 다른 셀보다 더 빠르게 상승하거나 하강하기 때문에 Balancing 회로가 더 자주 개입하게 되며, 이로 인해 단위 시간당 Balancing count의 증가 속도인 Slope 값이 더 크게 나타난다. 즉, 높은 Counter slope는 해당 셀이 충전 및 방전 주기 동안 반복적으로 불균형 상태에 놓여 있었음을 의미하며, 셀의 열화에 따른 성능 변화가 열화되었음을 반영한다. 반면, Slope가 완만하거나 거의 없는 셀은 다른 셀과 비교해 균형 상태를 잘 유지하고 있는 것으로 해석될 수 있다. 따라서 Counter slope는 단순한 불균형 발생 유무를 넘어서, 불균형의 동적 특성과 열화 경향성까지 반영할 수 있는 지표로 기능하며, Balancing 기반 셀 진단 알고리즘의 해상도를 높이는 데 중요한 역할을 하였다. 세 개의 배터리 모듈에 대한 결과는 Figs. 11 ~ 13과 Table 9에 요약되어 있다.
Module 1에서 Cell 1은 Balancing 시간 1,757초와 Balancing count 28회를 기록하며, 다른 셀에 비해 현저히 높은 값을 나타냈다. Cell 1의 Balancing 카운터 기울기는 0.016으로 측정되었으며, 최대 전압 편차는 0.208 V로 가장 큰 값이었다. 이러한 결과는 Cell 1이 가장 먼저 컷오프 전압에 도달하며, 불균형 상태를 보였음을 의미한다. 따라서 Module 1에서 Cell 1은 노화된 셀로 평가된다. Module 2에서는 Cell 2와 Cell 3이 각각 Balancing 시간 1,567초와 1,951초, Balancing count 17회와 32회를 기록하였다. 반면 Cell 1은 Balancing이 수행되지 않았으며, 두 셀에 비해 상대적으로 균형을 유지하는 것으로 나타났다. Cell 2와 Cell 3의 Balancing 카운터 기울기는 각각 0.011과 0.016으로, Cell 1에 비해 상대적으로 높은 수치를 보였다. 최대 전압 편차는 0.143 V로 Module 1에 비해 낮았으나, Cell 2와 Cell 3의 노화 진행을 나타내는 지표로 평가되었다. 이를 종합하여 Module 2에서는 Cell 2와 Cell 3이 노화된 셀로 판별된다. Module 3의 경우, Cell 1, Cell 2, Cell 3은 각각 3,315초, 5,650초, 6,630초의 Balancing 시간을 기록하였으며, Balancing count는 각각 209회, 283회, 320회로 나타났다. Balancing 카운터 기울기는 모든 셀이 유사한 범위(0.050~0.053)로 나타났고, 최대 전압 편차는 0.073 V로 세 모듈 중 가장 낮은 값을 기록하였다. 이러한 결과는 Module 3의 모든 셀이 균등한 충전 및 방전 특성을 유지하고 있으며, 정상적으로 작동하고 있음을 보여준다. 결론적으로, 세 모듈 중 Module 1에서는 Cell 1이, Module 2에서는 Cell 2와 Cell 3이 노화된 셀로 평가되었다. 반면 Module 3은 모든 셀이 정상적으로 작동하며 노화가 관찰되지 않았다. 이와 같은 결과는 배터리 모듈 내 개별 셀 간 불균형 평가가 노화된 셀을 효과적으로 검출하는 데 활용될 수 있음을 시사한다.
또한, 본 실험은 세 가지 모듈에서 제안된 알고리즘을 적용함으로써 그 유효성을 정량적으로 검증하였다. 특히, 알고리즘을 통해 도출된 Balancing count와 Counter slope의 증가는 실제로 노화가 진행된 셀의 반복적인 불균형 상태와 잘 일치하였고, 이는 단순 전압 편차 기준보다 높은 진단 해상도를 제공함을 의미한다. 각 모듈에서의 진단 결과 또한 알고리즘의 일관성과 신뢰성을 입증하였으며, 반복 실험 시에도 유사한 패턴이 재현될 가능성을 보여주었다. 따라서, 본 실험 결과는 제안된 알고리즘이 실제 BMS에 적용 가능한 수준의 실효성을 지님을 실증적으로 입증하며, 향후 다양한 셀 조합 및 운용 조건에서도 적용 가능성을 확장할 수 있는 기반을 마련하였다.
5. 결 론
본 연구에서는 BMS의 Cell balancing count를 활용하여 배터리 시스템 내 이상 Cell을 감지하는 혁신적인 방법을 제안하고 검증하였다. 이 방법은 기존의 배터리 Balancing 기술을 활용하면서도, 이상 Cell 감지에 새로운 접근법을 제시하였다. MATLAB/Simulink를 기반으로 한 시뮬레이션을 통해, Passive 및 Active balancing BMS에서 Balancing count 알고리즘의 효과성을 확인하였다. 시뮬레이션 결과, 충·방전 과정에서 노화된 배터리 셀을 효과적으로 식별할 수 있음을 입증하였으며, Passive balancing의 경우, 충전 과정에서 노화된 배터리 셀이 높은 Balancing count를 보였다. 또한 Active balancing에서는 노화된 배터리 셀의 Count가 충전 과정에서는 음수로, 방전 과정에서는 양수로 나타나는 특징적인 패턴을 관찰하였다. 시뮬레이션을 통해 선제적으로 검증한 방법에 대해 실험적 검증을 위해 Passive balancing BMS 하드웨어 프로토타입을 제작하고, 서로 다른 노화 상태를 가진 3개의 배터리 팩을 대상으로 실험을 수행하였다. 실험 결과, 시뮬레이션에서 예측한 대로 노화된 Cell에서 더 높은 Balancing 빈도와 전압 편차가 관찰되었다. 이러한 결과는 제안된 Cell balancing count 기반의 이상 Cell 감지 방법이 배터리 시스템의 안전성과 성능 향상에 실질적으로 기여할 수 있음을 시사한다. 특히, 이 방법은 기존 BMS 시스템에 쉽게 통합될 수 있어 실용성이 높다. 그러나 본 연구에는 몇 가지 한계점도 존재한다. 능동형 BMS의 실제 구현에 어려움이 있어 실험적 검증이 Passive BMS에 국한되었다는 점, 그리고 제한된 수의 배터리 팩과 실험 조건으로 인해 결과의 일반화에 제약이 있다는 점이다.
향후 연구에서는 전압 불균형 외에도 다양한 원인으로 인한 셀 이상을 감지하기 위한 방법을 보강할 필요가 있다. 예를 들어, 셀의 온도 변화나 충전 상태(SOC), 내부 저항의 변화를 추가적인 지표로 사용하여, 전압 카운트와 함께 셀의 이상 상태를 보다 정확히 추정할 수 있는 방법을 제시할 것이다. 또한, Active BMS에 대한 실험적 검증을 통해 이러한 다양한 원인을 더 정교하게 반영하는 방법을 개발할 계획이다. 또한, 다양한 배터리 유형과 운영 조건에서의 검증을 통해, 본 연구에서 제시한 방법이 전압 불균형 외에도 다양한 요인들에 의해 발생할 수 있는 이상을 감지하는 데 얼마나 효과적인지 실험적으로 증명할 것이다. 특히, 전압 레벨의 영향을 넘어서서 셀의 건전성을 평가할 수 있는 새로운 방식의 검증을 추가할 필요가 있다.
결론적으로, 본 연구에서 제안한 Cell balancing count 기반의 이상 셀 감지 방법은 배터리 시스템의 안전성, 신뢰성, 수명 향상에 기여할 수 있는 혁신적인 접근법으로, 향후 ESS 및 전기차 BMS의 발전에 중요한 역할을 할 것으로 기대된다.
Nomenclature
| Vcell : | voltage of cell i, V |
| Vcelli(0) : | initial voltage of cell i, V |
| Vcelli(t) : | voltage of cell i after time t, V |
| dVcelli : | voltage change of cell i, V |
| V0 : | initial voltage, V |
| ΔV(t) : | voltage difference between cells at time t, V |
| Vmax : | maximum voltage, V |
| Vmin : | minimum voltage, V |
| Ic : | charging current, A |
| IR : | balancing current, A |
| Rbalancing : | balancing resistor, Ω |
| Rswitchon : | equivalent resistance in balancing progress, Ω |
| Ci : | standard capacity of cell i, Ah |
| Ccacitance : | capacitance of a capacitor, F |
| t : | time, s |
| dt : | time change, s |
Acknowledgments
본 연구는 2022년도 정부(산업통상자원부)의 재원으로 한국산업기술평가관리원의 지원을 받아 수행된 연구임(No.20022377, 고열전도성 열계면 소재 적용 전기차 배터리 팩 시스템 냉각 성능 향상 기술 개발, 141587318).
References
-
T. Fan, W. Liang, W. Guo, T. Feng and W. Li, “Life Cycle Assessment of Electric Vehicles’ Lithium-Ion Batteries Reused for Energy Storage,” Journal of Energy Storage, Vol.71, Pa per No.108126, 2023.
[https://doi.org/10.1016/j.est.2023.108126]
-
P. Lyu, X. Liu, J. Qu, J. Zhao, Y. Huo, Z. Qu and Z. Rao, “Recent Advances of Thermal Safety of Lithium-Ion Battery for Energy Storage,” Energy Storage Materials, Vol.31, pp.195–220, 2020.
[https://doi.org/10.1016/j.ensm.2020.06.042]
-
G. Wei, R. Huang, G. Zhang, B. Jiang, J. Zhu, Y. Guo and H. Dai, “A Comprehensive Insight into the Thermal Runaway Issues in the View of Lithium-Ion Battery Intrinsic Safety Performance and Venting Gas Explosion Hazards,” Applied Energy, Vol.349, Pa per No.121651, 2023.
[https://doi.org/10.1016/j.apenergy.2023.121651]
-
X. Feng, D. Ren, X. He and M. Ouyang, “Mitigating Thermal Runaway of Lithium-Ion Batteries,” Joule, Vol.4, No.4, pp. 743–770, 2020.
[https://doi.org/10.1016/j.joule.2020.02.010]
-
Y. Chen, Y. Kang, Y. Zhao, L. Wang, J. Liu, Y. Li and B. Li, “A Review of Lithium-Ion Battery Safety Concerns: The Issues, Strategies, and Testing Standards,” Journal of Energy Chemistry, Vol.59, pp.83–99, 2021.
[https://doi.org/10.1016/j.jechem.2020.10.017]
-
P. Sun, R. Bisschop, H. Niu and X. Huang, “A Review of Battery Fires in Electric Vehicles,” Fire Technology, Vol.56, No.4, pp. 1361–1410, 2020.
[https://doi.org/10.1007/s10694-019-00944-3]
-
C. Choi, D. Kang, S. Han and J. Kim, “Impedance-Based Temperature Estimation Study Reflecting the Frequency Response Characteristics of High-Capacity Lithium-Ion Batteries,” Transactions of KSAE, Vol.29, No.8, pp. 741–749, 2021.
[https://doi.org/10.7467/KSAE.2021.29.8.741]
-
S. Shahid and M. Agelin-Chaab, “A Review of Thermal Runaway Prevention and Mitigation Strategies for Lithium-Ion Batteries,” Energy Conversion and Management: X, Vol.16, Paper No.100310, 2022.
[https://doi.org/10.1016/j.ecmx.2022.100310]
-
T. Liu, J. Hu, X. Zhu and X. Wang, “A Practical Method of Developing Cooling Control Strategy for Thermal Runaway Propagation Prevention in Lithium-Ion Battery Modules,” Journal of Energy Storage, Vol.50, Paper No.104564, 2022.
[https://doi.org/10.1016/j.est.2022.104564]
-
M. F. Niri, T. Q. Dinh, T. F. Yu, J. Marco and T. M. N. Bui, “State of Power Prediction for Lithium-Ion Batteries in Electric Vehicles via Wavelet-Markov Load Analysis,” IEEE Transactions on Intelligent Transportation Systems, Vol.22, No.9, pp.5833–5848, 2020.
[https://doi.org/10.1109/TITS.2020.3028024]
-
S. Mishra, S. C. Swain and R. K. Samantaray, “A Review on Battery Management System and Its Application in Electric Vehicle,” 2021 International Conference on Advances in Computing and Communications(ICACC), IEEE, pp.1–6, 2021.
[https://doi.org/10.1109/ICACC-202152719.2021.9708114]
-
S. Lee, W. Kim and M. Han, “Analysis of Voltage Deviation Among the Battery Cells According to Driving Characteristics for the Commercial Electric Vehicle,” Transactions of KSAE, Vol.31, No.1, pp.43–49, 2023.
[https://doi.org/10.7467/KSAE.2023.31.1.043]
-
Y. Son and W. Choi, “Rapid Estimation of Static Capacity Based on Machine Learning: A Time-Efficient Approach,” Batteries, Vol.10, No.6, Paper No.191, 2024.
[https://doi.org/10.3390/batteries10060191]
-
Y. Li, K. Liu, A. M. Foley, A. Zülke, M. Berecibar, E. Nanini-Maury and H. E. Hoster, “Data-Driven Health Estimation and Lifetime Prediction of Lithium-Ion Batteries: A Review,” Renewable and Sustainable Energy Reviews, Vol.113, Paper No. 109254, 2019.
[https://doi.org/10.1016/j.rser.2019.109254]
-
M. Lee, S. Han, J. Park and J. Kim, “A Study on the Selection of Failure Factors in Transient-State Lithium-Ion Batteries Using Electrochemical Impedance Spectroscopy,” Journal of the Korean Society for Precision Engineering, Vol.38, No.10, pp.749–756, 2021.
[https://doi.org/10.7736/JKSPE.021.040]
-
C. Li, L. Yang, Q. Li, Q. Zhang, Z. Zhou, Y. Meng and F. Lv, “SOH Estimation Method for Lithium-Ion Batteries Based on an Improved Equivalent Circuit Model via Electrochemical Impedance Spectroscopy,” Journal of Energy Storage, Vol.86, P aper No.111167, 2024.
[https://doi.org/10.1016/j.est.2024.111167]
-
B. R. Chen, Y. R. Police, M. Li, P. R. Chinnam, T. R. Tanim and E. J. Dufek, “A Mathematical Approach to Survey Electrochemical Impedance Spectroscopy for Aging in Lithium-Ion Batteries,” Frontiers in Energy Research, Vol.11, Paper No.1132876, 2023.
[https://doi.org/10.3389/fenrg.2023.1132876]
-
N. Khan, C. A. Ooi, A. Alturki, M. Amir and T. Alharbi, “A Critical Review of Battery Cell Balancing Techniques, Optimal Design, Converter Topologies, and Performance Evaluation for Optimizing Storage System in Electric Vehicles,” Energy Reports, Vol.11, pp. 4999–5032, 2024.
[https://doi.org/10.1016/j.egyr.2024.04.041]
-
A. Nath and B. Rajpathak, “Analysis of Cell Balancing Techniques in BMS for E lectric Vehicle,” 2022 International Conference on Intelligent Controller and Computing for Smart Power (ICICCSP), pp.1–6, 2022.
[https://doi.org/10.1109/ICICCSP53532.2022.9862513]
- M. Kwon, D. Kim and M. Song, “A 9-b 2MS/s Cyclic Folding ADC for Battery Management Systems,” Journal of the Institute of Electronics Engineers of Korea - SD, Vol.49, No.3, pp.1–7, 2012.
-
Y. Kim, S. Baek and Y. Kwon, “A Study on Parameter Extraction Method for Cylindrical Lithium-Ion Battery Cell for Electric Vehicles,” Journal of the Korea Academia-Industrial Cooperation Society, Vol.22, No.10, pp.609–618, 2021.
[https://doi.org/10.5762/KAIS.2021.22.10.609]
-
E. Nam, J. Jung and Y. Kwon, “SOC Estimation of Multi Cylindrical Lithium-Ion Cells Based on Extended Kalman Filter for Improving Battery Pack Life in Electric Vehicles,” Journal of the Korea Academia-Industrial Cooperation Society, Vol.23, No.10, pp.728–737, 2022.
[https://doi.org/10.5762/KAIS.2022.23.10.728]
-
M. Daowd, N. Omar, P. Van Den Bossche and J. Van Mierlo, “Passive and Active Battery Balancing Comparison Based on MATLAB Simulation,” 2011 IEEE Vehicle Power and Propulsion Conference, pp.1–7, 2011.
[https://doi.org/10.1109/VPPC.2011.6043010]













